Вы здесь

Компенсатор давления PCM3* (CETOP 3, модульное исполнение) 

Компенсатор давления PCM3 представляет собой регулятор давления прямого действия, доступный в двух- или трехлинейном варианте и выполненный в модульном формате с монтажной поверхностью по стандартам CETOP и ISO.

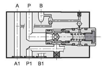
Данный компенсатор предназначен для поддержания постоянного перепада давления между магистралью P и магистралями A и B (по выбору).

Чаще всего PCM3 используется в сочетании с пропорциональными распределителями (например, DSE3-A*), что позволяет регулировать поток независимо от изменений давления.

Компенсатор автоматически выбирает давление управления между магистралями A и B с помощью встроенного логического клапана «ИЛИ».

Настройка давления компенсатора PCM3 может быть изменена в диапазоне от 7 до 33 бар с помощью регулировочного винта с внутренним шестигранником или регулировочной ручки.

Также доступны версии компенсатора с фиксированным давлением на 4 или 8 бар.

Гидравлические схемы PCM3

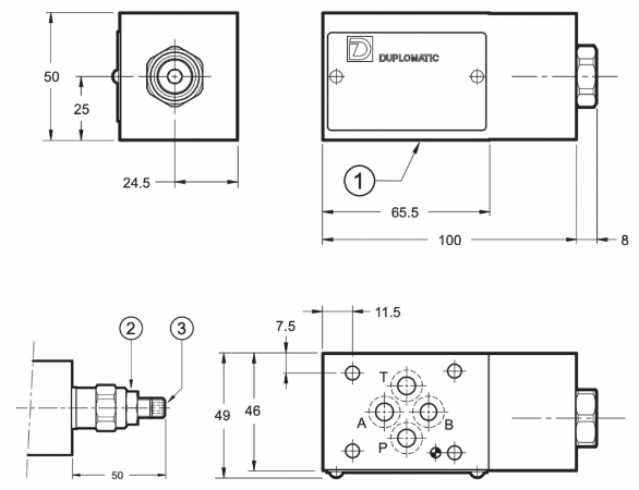
Габаритные размеры PCM3

  1. = Стыковая поверхность с уплотнительными кольцами; 4 шт. типа OR2037 (9.25 x 1.78)
  2. = Контргайка: ключ 17 мм
  3. = Регулировочный винт: шестигранник 5 мм. Для увеличения давления вращать по часовой стрелке.

Технические характеристики PCM3

Параметры Клапан PCM3-PV/10N Клапан PCM3-PTV/10N Клапан PCM3-PTV/10F
Максимальное рабочее давление бар 350
Максимальный расход рабочей жидкости л/мин 40
Диапазон температур рабочей жидкости °C -20...+80
Рекомендуемая вязкость рабочей жидкости сСт 25
Класс чистоты рабочей жидкости - Класс 10 по NAS 1638
Материал применяемых уплотнений - NBR NBR FPM
Масса клапана не более кг 1,5

Структура условного обозначения PCM3

Назад к списку