Вы здесь

Переключатели каналов для манометра HB6 

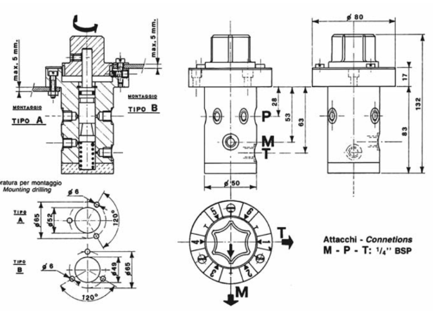
Шестиканальный переключатель для манометра HB6 с присоединительной резьбой G1/4" используется, чтобы соединить один за другим различные части гидропровода к одному единственному манометру.

Основные параметры:

  • условный проход DN6 (присоединительная резьба BSPP 1/4");
  • материал переключателя: корпус чугунный, уплотнения NBR, пластмассовая ручка переключения;
  • максимальное рабочее давление 400 бар;
  • допустимая рабочая температура -30...+100 °C;
  • рекомендуемая тонкость фильтрации рабочей жидкости 100 мкм;
  • вес переключателя 1,81 кг.

Гидросхема переключателя HB6

Габаритные размеры HB6

Назад к списку