Вы здесь
Переключатели каналов для манометра ПМГ-2, ПМГ-6
Переключатели манометров ПМГ-2, ПМГ-2С, ПМГ-2С-Б, ПМГ-6, ПМГ-6С предназначены для установки в гидравлические системы станков и других машин с гидроприводом. Они обеспечивают последовательное подключение манометра к полостям для измерения давления, а затем направляют его в сливную магистраль.
Данные переключатели работают с чистыми минеральными маслами, имеющими кинематическую вязкость от 10 до 440 мм²/с, при температуре масла от +10° до +70 °С и температуре окружающей среды от +1° до +55 °С. Номинальная тонкость фильтрации составляет 25 мкм. Климатическое исполнение соответствует стандартам УХЛ и О, категория размещения 4 по ГОСТ 15150.
Переключатели манометров ПМГ,имеют следующие конструктивные исполнения:
1. По присоединению:
- ПМГ-2, ПМГ-6 – резьбовое;
- ПМГ-2С, ПМГ-2С-Б, ПМГ-6С – стыковое.
2. По числу точек замера давления:
- ПМГ-2, ПМГ-2С, ПМГ-2С-Б – двухточечные;
- ПМГ-6, ПМГ-6С – шеститочечные.
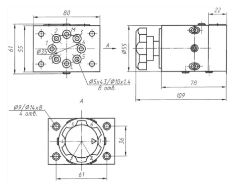
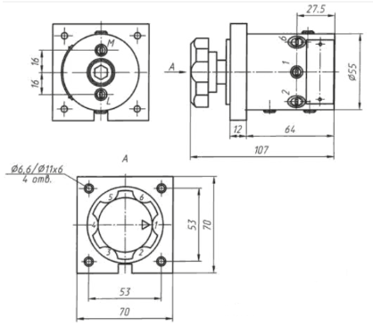
Габаритные размеры
ПМГ-6С
ПМГ-6
Технические характеристики ПМГ-2, ПМГ-6
Наименование | Присоединение | Давление, МПа | Сила управления, Н | Число точек замера | Масса, кг |
Переключатель ПМГ-2 | Резьбовое | 32 | 60 | 2 | 1,35 |
Переключатель ПМГ-6 | 6 | 1,5 | |||
Переключатель ПМГ-2С | Стыковое | 2 | 1,35 | ||
Переключатель ПМГ-2С-Б | 2 | 1,35 | |||
Переключатель ПМГ-6С | 6 | 1,7 |