Вы здесь
Центробежный насос Ebara CD
Применение насоса Ebara CD
- Повышение давления
- Садовое орошение
- Системы мойки
- Водоочистка
- Градирни
- Перекачивание чистой воды общего назначения
Технические особенности Ebara CD
- Надежная конструкция гидравлической части
- Небольшие размеры
Технические данные насоса Ebara CD
- Максимальное рабочее давление 8 бар
- Максимальная температура жидкости
-5 ÷ +60 °C для CD и CDE 70/05-70/07-90/10
-5 ÷ +90 °C для остального ряда CD
-5 ÷ +110 °C для исполнения H-HS-HW-HSW
-5 ÷ +120 °C для остального ряда CDE - Входное соединение G1½ для CD 200, G1¼ для остального ряда
- Выходное соединение G1
Материалы Ebara CD
- Корпус насоса, рабочее колесо, диффузор, диск уплотнения, основание, корпус двигателя и крышка ветилятора из EN 1.4301 (AISI 304)
- Торцевое уплотнение
- Керамика/графит/NBR (стандарт)
- Керамика/графит/FPM (исполнение Н)
- SiC/SiC/FPM (исполнение HS)
- Карбид вольфрама/карбид вольфрама/FPM (исполнение HW)
- SiC/карбид вольфрама/FPM (исполнение HSW)
- Керамика/графит/EPDM (исполнение Е)
- Карбид вольфрама/специальный графит/EPDM (исполнение U3CEGG) - Вал из AISI 303 (часть, контактирующая с жидкостью)
Технические данные двигателя Ebara CD
Условное обозна- чение |
Подача (м3/ч) | Напор (м) | Допус- каемый кавита- ционный запас (м) |
Высота самовса- сывания (м) |
Частота вращения (об/мин) | Мощность электро- двигателя (кВт) |
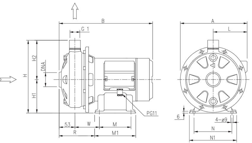
Входной патрубок Dу (мм) | Выходной патрубок Dу (мм) | Габариты агрегата Длина/ ширина/ высота L/B/H (мм) | Масса агрегата (кг) |
CD 70/05 | 1.2 - 5.4 | 20.7 - 15 | - | - | 3000 | 0.37 | 31.75 | 25.4 | 298x206x229 | 9.4 |
CD 70/07 | 1.2 - 4.8 | 28 - 20.5 | - | - | 3000 | 0.55 | 31.75 | 25.4 | 298x206x229 | 10.8 |
CD 90/10 | 1.2 - 6.6 | 30.3 - 19.5 | - | - | 3000 | 0.75 | 31.75 | 25.4 | 328x206x229 | 12.4 |
CD 70/12 | 1.2 - 4.8 | 35 - 26.5 | - | - | 3000 | 0.9 | 31.75 | 25.4 | 328x218x250 | 14.1 |
CD 120/07 | 3 - 10.8 | 20.5 - 12.5 | - | - | 3000 | 0.55 | 31.75 | 25.4 | 298x206x229 | 10.7 |
CD 120/12 | 3 - 9.6 | 29.5 - 19.5 | - | - | 3000 | 0.9 | 31.75 | 25.4 | 328x206x229 | 13.3 |
CD 120/20 | 3 - 9.6 | 37.5 - 28.5 | - | - | 3000 | 1.5 | 31.75 | 25.4 | 256x226x250 | 17.3 |
CD 200/12 | 4.8 - 15 | 20.6 - 12.5 | - | - | 3000 | 0.9 | 38.1 | 25.4 | 328x206x229 | 12.7 |
CD 200/20 | 4.8 - 15 | 31 - 23 | - | - | 3000 | 1.5 | 38.1 | 25.4 | 356x214x229 | 16.7 |
CD 200/25 | 4.8 - 15 | 38 - 28 | - | - | 3000 | 1.8 | 38.1 | 25.4 | 366x226x250 | 17.4 |