Вы здесь
Центробежный насос Ebara DWC
Применение
- Системы охлаждения, кондиционирования воздуха и отопления
- Холодильные установки
- Системы мойки
- Коммунальное и промышленное водоснабжение
Технические особенности Ebara DWC
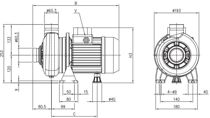
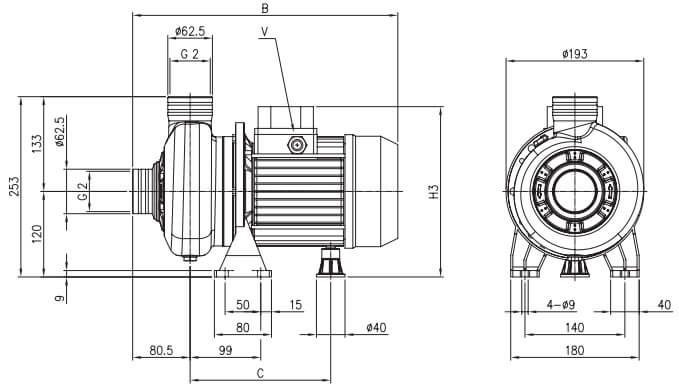
- Выпускаются в двух различных исполнениях: с резьбовыми соединениями (DWC-N) и соединениями Victaulic (DWC-V)
- Теплоизоляция по стандарту для исполнения Victaulic (DWC-V)
Технические данные насоса Ebara DWC
- Максимальное рабочее давление 8 бар
- Температура жидкости
-15 ÷ +90 °C
-15 ÷ +110 °C для исполнения H-HS-HW-HSW - Входное и выходное соединение: G2 для DWC-N
- Входное и выходное соединение: Ø2”(60,3 мм) для DWC-V
- MEI > 0,1
Материалы
- Корпус насоса, крышка корпуса, рабочее колесо и вал (часть, контактирующая с жидкостью) из AISI 304
- Основание и рама двигателя из алюминия
- Торцевое уплотнение
- Керамика/графит/EPDM (стандарт)
- Керамика/графит/FPM (исполнение Н)
- SiC/SiC/FPM (исполнение HS)
- Карбид вольфрама/карбид вольфрама/FPM (исполнение HW)
- SiC/карбид вольфрама/FPM (исполнение HSW)
Технические данные двигателя
- Высокоэффективные двигатели класса IE2 от 0,75 кВт
- Асинхронный 2-полюсный двигатель с внутренней вентиляцией
- Класс изоляции F
- Класс защиты IP55
- Трехфазное напряжение 230/400 В ±10 % 50 Гц
- Для трехфазного исполнения тепловая защита должна быть предусмотрена потребителем
| Условное обозна- чение |
Подача (м3/ч) | Напор (м) | Допус- каемый кавита- ционный запас (м) |
Высота самовса- сывания (м) |
Частота вращения (об/мин) | Мощность электро- двигателя (кВт) |
Входной патрубок Dу (мм) | Выходной патрубок Dу (мм) | Габариты агрегата Длина/ ширина/ высота L/B/H (мм) | Масса агрегата (кг) |
| DWC 300/1.1 | 6 - 24 | 19.2 - 8.5 | - | - | 3000 | 1.1 | 60.3 | 60.3 | 372x193x253 | 14.5 |
| DWC 300/1.5 | 6 - 24 | 22.5 - 12 | - | - | 3000 | 1.5 | 60.3 | 60.3 | 385x193x253 | 16 |
| DWC 500/1.1 | 12 - 45 | 17 - 6.2 | - | - | 3000 | 1.5 | 60.3 | 60.3 | 385x193x253 | 16.5 |
| DWC 500/2.2 | 12 - 45 | 23 - 11.5 | - | - | 3000 | 2.2 | 60.3 | 60.3 | 418x193x253 | 20.3 |
| DWC 500/3 | 12 - 45 | 25 - 13.6 | - | - | 3000 | 3 | 60.3 | 60.3 | 457x193x253 | 22.3 |
Диапазон эксплуатационных характеристик Ebara DWC

Размеры Ebara DWC-V


Размеры Ebara DWC-N





