Вы здесь
Центробежный насос Ebara JESX, JEX
Применение Ebara JESX, JEX
- Водоснабжение
- Повышение давления при бытовом применении
- Системы орошениея/li>
- Осушение резервуаров и бассейнов
- Перекачивание чистой воды общего назначения
Спецификация Ebara JESX, JEX
- Максимальное рабочее давление: 6 бар
- Максимальная температура жидкости: 45°C
Материалы Ebara JESX, JEX
- Корпус насоса и днище для уплотнения из нержавеющей стали AISI 304
- Вал из нержавеющей стали AISI 303
- Рабочее колесо из нержавеющей стали AISI 304 для JEX, из технополимера для JESX
- Торцевое уплотнение из графита/керамики/NBR
- Кронштейн и корпус двигателя из алюминия
Технические данные Ebara JESX, JEX
- Закрытый асинхронный 2-х полюсный двигатель с внешней вентиляцией
- Класс изоляции F
- Класс защиты IP54 (по заказу IP55)
- Однофазное напряжение 230 В ± 10% 50 Гц, трёхфазное напряжение 230/400 В ±10% 50 Гц
- Постоянно включенный конденсатор и встроенная тепловая защита с автоматическим перезапуском для однофазной версии
- Для трёхфазной версии тепловая защита должна быть предусмотрена потребителем
- Присоединение для входа (DNA) 1” для JESХ, 1”1/4 для JEX
- Присоединение для выхода (DNM) 1”
| Условное обозна- чение |
Подача (м3/ч) | Напор (м) | Допус- каемый кавита- ционный запас (м) |
Высота самовса- сывания (м) |
Частота вращения (об/мин) | Мощность электро- двигателя (кВт) |
Входной патрубок Dу (мм) | Выходной патрубок Dу (мм) | Габариты агрегата Длина/ ширина/ высота L/B/H (мм) | Масса агрегата (кг) |
| JESX 5, 1690050004 | 0.3 - 2.7 | 28 - 11.5 | - | - | 2900 | 0.37 | 25.4 | 25.4 | 355x170x175 | 5.1 |
| JESX 6 | 0.3 - 2.7 | 31.5 - 13.5 | - | - | 2900 | 0.44 | 25.4 | 25.4 | 355x170x175 | 5.5 |
| JESX 8, 1690080004 | 0.3 - 2.7 | 37 - 16 | - | - | 2900 | 0.6 | 25.4 | 25.4 | 355x170x175 | 6.1 |
| JEX 80, 1665040004 | 1.2 - 4.2 | 33 - 18 | - | - | 2900 | 0.6 | 31.75 | 25.4 | 417x208x210 | 10.3 |
| JEX 100, 1665050004I | 1.2 - 4.2 | 37 - 21 | - | - | 2900 | 0.75 | 31.75 | 25.4 | 417x208x210 | 10.8 |
| JEX 120, 1665060004I | 1.2 - 4.2 | 41 - 24.5 | - | - | 2900 | 0.88 | 31.75 | 25.4 | 417x208x210 | 11.5 |
| JEX 150, 1665070004I | 1.2 - 4.5 | 49 - 29.5 | - | - | 2900 | 1.1 | 31.75 | 25.4 | 445x208x210 | 14.1 |
Диапазон эксплуатационных характеристик Ebara JESX, JEX

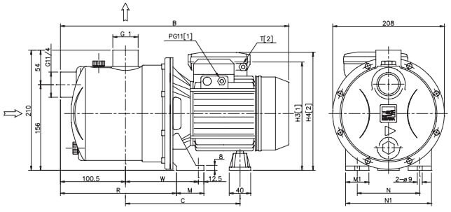
Размеры Ebara JEX


- [1] Только для трехфазных
- [2] Только для однофазных
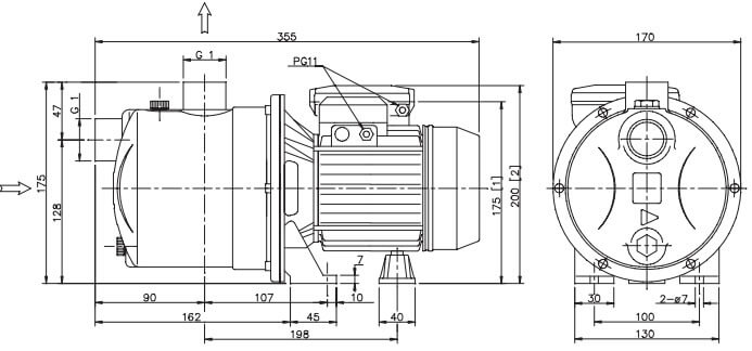
Размеры Ebara JESX


- [1] Только для трехфазных
- [2] Только для однофазных



