Вы здесь
Центробежный насос Ebara LPS
Применение Ebara LPS
- Системы отопления в жилых домах и промышленности
- Системы перекачивания бытовой горячей воды
- Системы охлаждения и кондиционирования
- Перекачивание жидкостей с низким давлением общего назначения
Технические особенности Ebara LPS
- Универсальность
- Бесшумная работа
- Надежность
Материалы
- Корпус насоса, рабочее колесо и днище для торцевого уплотнения из нержавеющей стали из AISI 304
- Вал (часть, контактирующая с жидкостью) из нержавеющей стали AISI 303
- Кронштейн и корпус двигателя из алюминия
- Торцевое уплотнение Керамик/Графит/NBR
- Эластомеры из NBR
Технические данные Ebara LPS
- Максимальное давление на входе:
- 2 бар для всех однофазных моделей и трехфазной LPS 25
- 4 бар для трехфазной LPS 32-40-50 - Температура жидкости: -10°C ÷ +100°C
- Асинхронный 2-х полюсный двигатель самовентилируемый
- Класс изоляции F
- Класс электробезопасности IP55
- Однофазное напряжение 230 В ±10% 50 Гц,
трехфазное напряжение 230/400 В ±10%, 50 Гц - Постоянно включенный конденсатор и встроенная тепловая
защита с автоматическим перезапуском для однофазного
двигателя - Для трехфазной версии тепловая защита должна быть предусмотрена потребителем
- Фланцы: от DN 25 до DN 50
| Условное обозна- чение |
Подача (м3/ч) | Напор (м) | Допус- каемый кавита- ционный запас (м) |
Высота самовса- сывания (м) |
Частота вращения (об/мин) | Мощность электро- двигателя (кВт) |
Входной патрубок Dу (мм) | Выходной патрубок Dу (мм) | Габариты агрегата Длина/ ширина/ высота L/B/H (мм) | Масса агрегата (кг) |
| LPS 25/08 | 0 - 4.2 | 7.2 - 2.4 | - | - | 3000 | 0.08 | 25 | 25 | 300x206x322 | 12.8 |
| LPS 25/15 | 0 - 4.2 | 10.3 - 4.9 | - | - | 3000 | 0.15 | 25 | 25 | 300x206x322 | 12.8 |
| LPS 25/25, 1962030000 | 0 - 4.2 | 13.7 - 8.4 | - | - | 3000 | 0.25 | 25 | 25 | 300x206x322 | 12.9 |
| LPS 32/25, 1963030000 | 2.4 - 9 | 10.7 - 3.9 | - | - | 3000 | 0.25 | 32 | 32 | 305x206x341.5 | 14.6 |
| LPS 32/40, 1963040004 | 2.4 - 9 | 14.5 - 7 | - | - | 3000 | 0.4 | 32 | 32 | 305x206x341.5 | 14.6 |
| LPS 40/25, 1964030004 | 4.2 - 12 | 7.8 - 3.7 | - | - | 3000 | 0.25 | 40 | 40 | 305x206x346.5 | 15 |
| LPS 40/40 | 4.2 - 15 | 11.3 - 4.4 | - | - | 3000 | 0.4 | 40 | 40 | 305x206x346.5 | 15 |
| LPS 40/75 | 4.2 - 15 | 16.6 - 10.1 | - | - | 3000 | 0.75 | 40 | 40 | 305x206x346.5 | 18.2 |
| LPS 50/40 | 7.2 - 19.2 | 9.1 - 3.5 | - | - | 3000 | 0.4 | 50 | 50 | 310x206x356.5 | 16 |
| LPS 50/75, 1965070004I | 7.2 - 24 | 13.8 - 5 | - | - | 3000 | 0.75 | 50 | 50 | 310x206x356.5 | 19 |
| LPS 50/150, 1965150000 | 7.2 - 24 | 19.8 - 13.7 | - | - | 3000 | 1.5 | 50 | 50 | 310x232x387 | 22.2 |
Диапазон эксплуатационных характеристик Ebara LPS

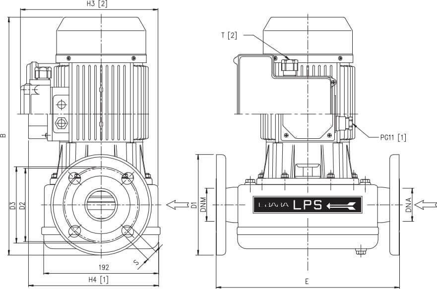
Размеры Ebara LPS





