Вы здесь
Канализационные насосы Wilo DrainLift Box
Канализационный насос для монтажа под уровнем пола (подпольного монтажа) без режущего механизма (измельчителя).
Насос предназначен для отвода сточных вод из затапливаемых помещений, подвалов, гаражей, а также от умывальника, душа, стиральных и посудомоечных машин.
Особенности напорного насоса DrainLift Box:
- насос имеет рамку из нержавеющей стали для установки под плитку и сифон;
- большой объем ударопрочного резервуара (85 л);
- насос извлекается вместе с напорным трубопроводом;
- имеется патрубок для подсоединения второго резервуара;
- гибкость применения насосу обеспечивает три варианта монтажа подводящих патрубков DN 100.
Насос WILO DrainLift Box имеет три модификации - DrainLift Box 32/8, Box 32/11 и Box 40/10. Они различаются диаметром напорного патрубка (цифра перед слэш) и максимальным напором (цифра после слэш).
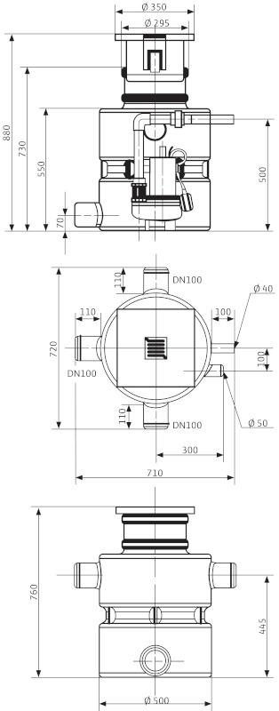
Габаритные размеры канализационных насосов Wilo DrainLift Box

Технические характеристики канализационных насосов Wilo DrainLift Box
| Модель | DrainLift Box 32/8 | DrainLift Box 32/11 | DrainLift Box 40/10 |
| Максимальный напор | 8 м | 11 м | 10 м |
| Номинальный внутренний диаметр напорного патрубка | DN32 | DN32 | DN40 |
|
Параметры сети |
1x230 В, 50 Гц | ||
| Потребляемая мощность | 450 Вт | 750 Вт | 940 Вт |
| Температура перекачиваемой жидкости | от + 3°С до +35°С | ||
| Максимальная кратковременная (до 3-х мин.) температура перекачиваемой жидкости | +90°С | +90°С | - |
| Общий объем | 85 л | ||
| Максимальный объем включения | 22 л | 22 л | 30 л |
| Режим работы | S3 - 15% | S3 - 15% | S3 - 25% |
| Максимальный приток при режиме S3 | 1320 л/час | 1320 л/час | 900 л/час |
| Макисмальное давление в напорном трубопроводе | 1,1 бар | ||
| Подводящий (приточный) патрубок | DN 100 | ||
| Вентиляционный патрубок | DN 100 | ||
| Длина соединительного кабеля, м | 10 м | 10 м | 5 м |
| Степень защиты | IP 68 | ||
| Габаритные размеры (ШxВxГ), мм | 720 x 880 x 710 | ||
| Вес, кг | 30 | 32 | 38 |
| Материалы | |||
| Корпус мотора | нержавеющая сталь 1.4301 | ||
| Скользящее торцевое уплотнение | графит/керамика | ||
| Корпус насоса | PP | PP | PP-GF 30 |
| Материал резервуара | PE | ||
Диаграмма рабочих характеристик




