Вы здесь
Профессиональные насосные установки Wilo DrainLift XXL
Автоматические насосные установки DrainLift XXL большой производительности, предназначены для отвода сточных вод от крупных жилых и коммерческих объектов (торговых центров, предприятий общественного питания и пр.
Имеют большой резервуар - один на 400 литров или два резервуара по 400 л (800 литров), оптимальное опорожнение которых обеспечивается системой глубокого всасывания.
DrainLift XXL оснащены насосами для отвода сточных вод - Wilo-Drain TP 80 или Wilo-Drain TP 100.
Напорные штуцеры имеют DN 80 или DN 100.
Установка DrainLift XXL оснащенная модулем управления с автоматическим режимом переключения насосов, включением в работу резервного насоса при пиковых нагрузках, сигнализацией рабочего состояния и неисправностей для каждого насоса, датчиком защиты мотора от перегрева и контроля герметичности, датчиком уровня.
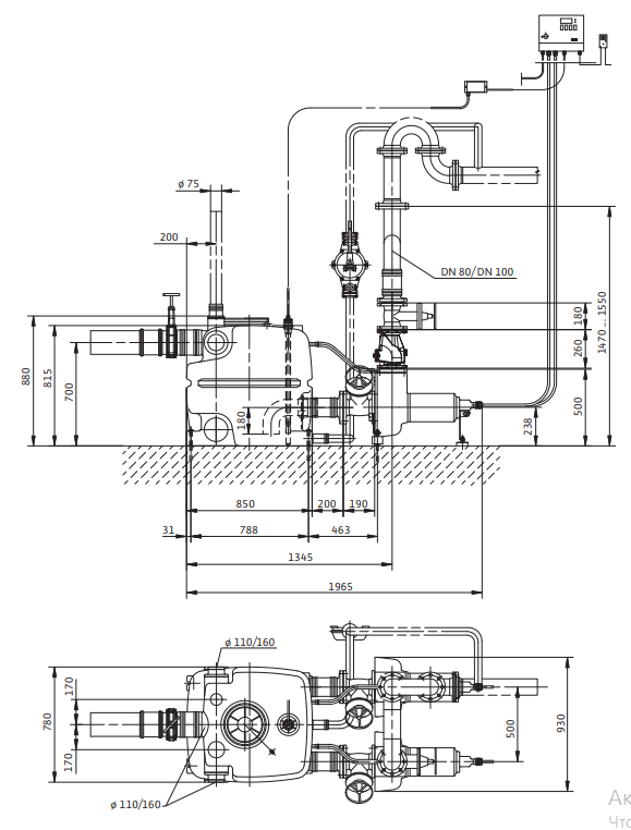
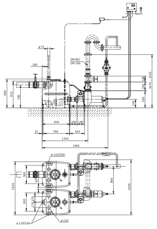
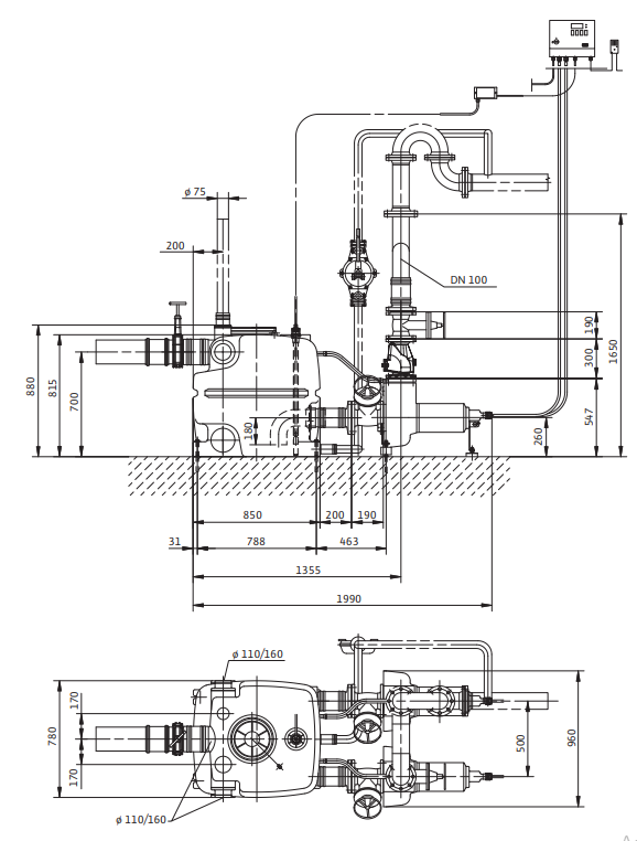
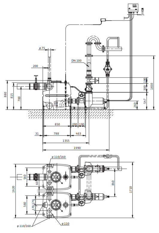
Габаритные размеры профессиональных насосных установок Wilo DrainLift XXL
DrainLift XXL 840

DrainLift XXL 880

DrainLift XXL 1040

DrainLift XXL 1080




