Вы здесь
Седельный клапан Siemens VXG44.20-6.3
Клапан регулирующий Siemens VXG44.20-6.3 предназначен для небольших и средних установок ОВК, как регулирующий или отсечной клапан.
Особенности Siemens VXG44.20-6.3
- Корпус клапана - бронза CC491K (Rg5);
- DN:15...40;
- KVS: 0.25...25 м3/ч;
- Плоские уплотнительные шайбы для внешнего соединения G..B, по ISO 228- 1;
- Набор фитингов ALG с резьбовым соединением и ALS со сварным соединением;
- Ручная настройка с помощью монтажной головки;
- Применяется в комбинации с приводами SQS... и SAS…
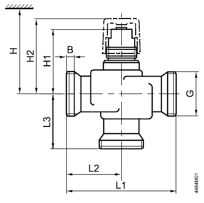
Габаритные размеры Siemens VXG44.20-6.3

| Тип клапана | DN | B | G | L1 | L2 | L3 | H1 | H2 | H | H | Вес |
| мм | дюйм | мм | мм | мм | мм | мм | SQS.. | SAS.. | кг | ||
| VXG44.15-0.25 | 15 | 8.5 | G 1B | 100 | 50 | 50 | 45 | 55 | >364 | >381 | 0.5 |
| VXG44.15-0.4 | |||||||||||
| VXG44.15-0.63 | |||||||||||
| VXG44.15-1 | |||||||||||
| VXG44.15-1.6 | 49 | 59 | 0.59 | ||||||||
| VXG44.15-2.5 | |||||||||||
| VXG44.15-4 | 53 | 63 | 0.67 | ||||||||
| VXG44.20-6.3 | 20 | 9 | G 1¼B | 68 | 78 | >379 | >396 | 0.90 | |||
| VXG44.25-10 | 25 | 11 | G 1½B | 105 | 52.5 | 52.5 | 71 | 81 | >382 | >399 | 1.30 |
| VXG44.32-16 | 32 | G 2B | 77.5 | 87.5 | >389 | >406 | 1.74 | ||||
| VXG44.40-25 | 40 | G 2¼B | 130 | 65 | 65 | 80.5 | 90.5 | >392 | >409 | 2.39 |
Технические характеристики Siemens VXG44.20-6.3
| Диаметр (DN), мм | 20 |
| Тип клапана | Седельные |
| Соединение | Резьбовое |
| Пропускная способность (Kvs) | 6.3 |
| Шток | 5.5 мм |
| Ходы | 3-ходовый |
| Класс PN | 16 |
| Температура среды | 1…120 °C |
| Допустимое рабочее давление | 1600 кПа |
| Резьба | G 1¼ B ", внешняя |
| Материал корпуса | Бронза CC491K (Rg5) |
| Материал внутренних частeй | CrNi сталь/Rg5/латунь |



