Вы здесь
Устройства защитного отключения (электромеханические) серии TGL1N‑80
УЗО серии TGL1N‑80 предназначены для обеспечения безопасности человека при контакте с электрическим током, а также для предотвращения возгораний, вызванных нарушением изоляции и появлением тока утечки.
Эти устройства рассчитаны на работу в сетях переменного тока частотой 50/60 Гц, с номинальным напряжением до 415 В и током до 80 А. Соответствуют международному стандарту IEC 61008-1.
Основные возможности:
- Эффективная защита от поражения электрическим током
- Снижение риска пожаров, связанных с токами утечки
- Надёжная работа вне зависимости от наличия сетевого напряжения (электромеханический принцип действия)
Классификация по типу срабатывания:
- АС — реагирует на переменный синусоидальный ток утечки (внезапный или нарастающий)
- А — обнаруживает как переменные, так и пульсирующие постоянные токи утечки
- S — селективное УЗО с временной задержкой срабатывания, обеспечивающее согласованную работу с другими устройствами в цепи
Электромеханическое исполнение
Устройства TGL1N‑80 функционируют без зависимости от наличия напряжения в сети — достаточно одного факта: наличие тока утечки. Это делает прибор особенно надёжным при авариях и нестабильной подаче электроэнергии. В отличие от электронных моделей, электромеханические УЗО не требуют дополнительного питания и обеспечивают максимальную надёжность.
Рекомендации по выбору чувствительности к току утечки:
- 10 мА — защита человека в помещениях с повышенной опасностью (ванные, душевые кабины и пр.)
- 30 мА — универсальный вариант для жилых помещений: розеточные группы, свет, основная проводка
- 100 мА — защита протяжённых или разветвлённых сетей, разбитых на отдельные сегменты
- 300 мА — противопожарные устройства, направленные на предотвращение возгораний
Условия эксплуатации УЗО TGL1N‑80:
- Класс защиты: IP20
- Рабочая температура: от –25 °C до +70 °
- Максимальная высота над уровнем моря: до 2000 м
- Категория установки: II
- Степень загрязнения окружающей среды: 2
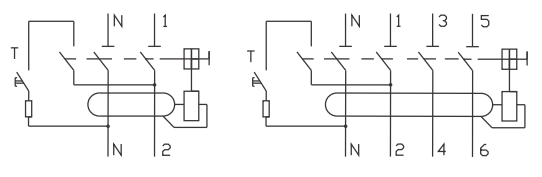
- Монтаж: установка на DIN-рейку 35 мм
- Подключение: питание — сверху, нагрузка — снизу
- Допустимое сечение проводников: до 25 мм²
- Момент затяжки клемм: 3 Н·м
- Допустимое положение при установке: любое
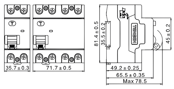
Габаритные размеры TGL1N‑80
Технические характеристики TGL1N‑80
Наименование | TGL1N‑80 | TGL1N‑80H |
Число полюсов | 2P, 4P | 2P, 4P |
Номинальная частота (f), Hz | 50/60 | 50/60 |
Типоразмер | 80 | 80 |
Номинальный ток (In), A | 16, 20, 25, 32, 40, 50, 63, 80 | 16, 20, 25, 32, 40, 50, 63, 80 |
Номинальный отключающий дифференциальный ток (IΔn), mA | 10 (тип AC при In ≤ 32 A), 30, 100, 300 | 10 (тип AC при In ≤ 32 A), 30, 100, 300 |
Номинальный неотключающий дифференциальный ток (IΔno), mA | 0.5 IΔn | 0.5 IΔn |
Тип срабатывания по дифференциальному току | AC, A, AC-S, A-S | AC, A, AC-S, A-S |
Номинальное рабочее напряжение (Ue), V | AC230/240 (2P) AC400/415 (4P) |
AC230/240 (2P) AC400/415 (4P) |
Номинальное напряжение изоляции (Ui), V | 690 | 690 |
Номинальное импульсное выдерживаемое напряжение (Uimp), kV | 4 | 4 |
Номинальный условный ток короткого замыкания (Inc), A | 6000 | 10000 |
Номинальная наибольшая дифференциальная включающая и отключающая способность (IΔm), mA | 1000 | 1000 |
Номинальное время отключения (TΔn), s | ≤ 0.1 от 0.1 до 0.5 (тип S) |
≤ 0.1 от 0.1 до 0.5 (тип S) |
Тип устройства УЗО | электромеханическое | электромеханическое |
Аксессуары | – | – |
Электрическая износостойкость, не менее циклов | 2000 | 2000 |
Механическая износостойкость, не менее циклов | 4000 | 4000 |
Индикация срабатывания по току утечки | Да | Да |
Параметры времени отключения узо
Тип УЗО | IΔn, mA | Максимальное время отключения УЗО при появлении тока утечки, s | ||||
IΔn | 2 IΔn | 5 IΔn | 0.25 A | 5 A, 200 A, 500 A | ||
AC, A | < 30 | 0.1 | 0.08 | – | 0.04 | 0.04 |
30 | 0.1 | 0.08 | – | 0.04 | 0.04 | |
> 30 | 0.1 | 0.08 | 0.04 | – | 0.04 | |
S | > 30 | 0.5 | 0.2 | 0.15 | – | 0.15 |
- | 0.13 | 0.06 | 0.05 | – | 0.04 | |
Максимальное время отключения / Минимальное время неотключения |