Вы здесь
Тяговая лебедка ТЛ-14б
Электрическая тяговая лебёдка ТЛ-14Б предназначена для автоматизации подъёма и перемещения грузов.
Она может эксплуатироваться как отдельно, так и в составе комплексных грузоподъёмных систем.
В отличие от модели ТЛ-14А, близкой по конструкции, лебёдка ТЛ-14Б обеспечивает большее тяговое усилие благодаря применению цилиндрического редуктора с повышенным передаточным числом, что увеличивает мощность устройства.
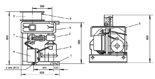
Отличительной чертой всех лебёдок серии ТЛ-14 является консольное крепление барабана — он устанавливается непосредственно на выходной вал редуктора без дополнительных подшипниковых опор.
Передача вращательного момента от электродвигателя к редуктору осуществляется через упругую муфту, которая снижает пусковые и тормозные нагрузки, предотвращая резкие рывки. Муфта выполнена комбинированной и одновременно служит тормозным шкивом.
Размещение тормозного механизма в зоне соединения валов обеспечивает эффективное торможение.
Габаритные размеры ТЛ-14Б

| 1 | Рама | 
| 2 | Барабан | 
| 3 | Упругая муфта | 
| 4 | Шкаф с электрической аппаратурой | 
| 5 | Защитный кожух | 
| 6 | Редуктор 1Ц2У-160 | 
| 7 | Тормоз ТКГ-160 | 
| 8 | Электрический двигатель 4 кВт 1500 об/мин | 
| 9 | Трос | 
Технические характеристики ТЛ-14Б
| Напряжение, В | 380 | 
| Тяговое усилие, тс | 0,63 | 
| Расчетная канатоёмкость, м | 50 | 
| Рекомендуемый диаметр каната по ГОСТ 2688-80, мм | 8,3 | 
| Габаритные размеры (Д х Ш х В), мм | 920 х 620 х 800 | 
| Монтажные размеры (С х D), мм | 360 х 690 | 
| Диаметр монтажных отверстий (Е), мм | 22 | 
| Комплектация канатом по умолчанию | не входит в комплект | 
| Скорость навивки каната на первом слое, м/с | 0,3 | 
| Диаметр барабана | 300 | 
| Редуктор | 1Ц2У-160-40 | 
| РЦД-350-40 | |
| Тип тормоза | ТКГ 160 | 
| Электродвигатель | АИР 100L4 | 
| Климатическое исполнение по ГОСТ 15150-69 | У2 | 
| Температура окружающей среды, ºС | от -40 до +40 | 
| Окружающая среда | невзрывоопасная | 
| Режим работы | легкий | 
| Масса без каната, кг | 235 | 
			


