Вы здесь
Тяговая лебедка ТЛ-8Б
Тяговая электрическая лебёдка ТЛ-8Б представляет собой маневровое устройство, основное назначение которого — перемещение железнодорожных вагонов по путям вблизи промышленных объектов и складских территорий.
Благодаря высокой мощности главного барабана, данная модель способна передвигать состав из пяти вагонов общей массой до 315 тонн.
Лебёдка имеет двухбарабанную конструкцию. Такая компоновка, совместно с использованием концевого блока, обеспечивает выполнение маневров в любом направлении. Основной барабан отвечает за тяговое усилие, а вспомогательный — за продольное перемещение рабочего троса вдоль состава, позволяя менять сторону зацепления.
Изменение направления движения осуществляется в зависимости от того, как закреплён трос: напрямую к вагону или через перекидной блок. Согласованная работа обоих барабанов управляется через контроллеры, размещённые в электрощите управления.
Для обеспечения безопасной эксплуатации рекомендуется установка звуковой сигнализации и концевых выключателей.
Применение лебёдки ТЛ-8Б позволяет отказаться от маневрового локомотива, значительно снижая эксплуатационные расходы, особенно в условиях производственных и складских комплексов.
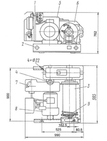
Габаритные размеры ТЛ-8Б

| 1 | Рама | 
| 2 | Вспомогательный барабан | 
| 3 | Шкаф с пусковой аппаратурой | 
| 4 | Тормозная лента | 
| 5 | Муфта кулачковая | 
| 6 | Тормозная лента | 
| 7 | Главный барабан | 
| 8 | Ролик | 
| 9 | Упругая муфта | 
| 10 | Шестерня | 
| 11 | Подшипниковая опора | 
| 12 | Шестерня | 
| 13 | Электродвигатель АИР100S4 | 
| 14 | Редуктор Ц2У-315Нх31,5-22 | 
| 15 | Редуктор 1Ц2У-160х31,5-13 | 
| 16 | Подшипник 1616 Л | 
Технические характеристики ТЛ-8Б
| Наименование характеристики | Значение | 
| Напряжение, В | 380 | 
| Тяговое усилие на основном барабане, тс | 5 | 
| Расчетная канатоёмкость на основном барабане, м | 220 | 
| Диаметр грузового каната, мм | 22,5 | 
| Тяговое усилие на вспомогательном барабане, тс | 0,5 | 
| Расчетная канатоёмкость на вспомогательном барабане, тс | 460 | 
| Диаметр вспомогательного каната, мм | 6,9 | 
| Габаритные размеры (Д х Ш х В), мм | 1534 х 1545 х 925 | 
| Монтажные размеры (С х D), мм | 625 х 625 х 1480 | 
| Диаметр монтажных отверстий (Е), мм | 28 х 6 | 
| Комплектация канатом по умолчанию, (+/-) | в комплект поставки не входит | 
| Скорость навивки каната на первом слое, м/с | 0,03 | 
| Редуктор первичный | 1Ц2У-160-31,5-13 | 
| Редуктор главный | РМ-500-31,5-22 | 
| Ц2У-315Н-31,5-22 | |
| 1Ц3У-315-31,5-22 | |
| Тип тормоза | ТКГ 200 | 
| Электродвигатель | АИР100S4 3 кВт 1500 об/мин | 
| Климатическое исполнение по ГОСТ 15150-69 | У2 | 
| Температура окружающей среды, ºС | от -40 до +40 | 
| Окружающая среда | невзрывоопасная | 
| Режим работы | легкий | 
| Масса без каната, кг | 1200 | 
			


