Вы здесь
Фильтр привода дверей (ФПД.00.00.000, ... -09)
Фильтр привода дверей является комплектующим для лифтов и предназначен для подавления помех, вызванных работой двигателя.
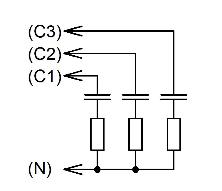
Схема подключения

Исполнения
| Обозначение | Тип | Габаритные размеры корпуса, мм | Длина выходных проводов (кабеля для ФПД.00.00.000-07) , мм | Масса, кг, не более | ||
| в трубке | свободных концов | длина металлорукава (при наличии) | ||||
| ФПД.00.00.000 | ФПД-01 | 140х77х56 | 600 | 100 | 500 | 0,60 |
| ФПД.00.00.000-01 | ФПД-02 | |||||
| ФПД.00.00.000-02 | ФПД-03 | |||||
| ФПД.00.00.000-03 | ФПД-04 (экспорт) | 2250 | 250 | 1,10 | ||
| ФПД.00.00.000-04 | ФПД-05 | |||||
| ФПД.00.00.000-05 | ФПД-06 | 900 | 1,18 | |||
| ФПД.00.00.000-06 | ФПД-07 (экспорт) | |||||
| ФПД.00.00.000-07 | ФПД-08 | 400 | 60 + наконечники | - | 0,65 | |
| ФПД.00.00.000-08 | ФПД-09 | 410 | 60 + наконечники | 400 | 0,60 | |
| ФПД.00.00.000-09 | ФПД-10 (экспорт) | |||||



