Вы здесь
Выключатель врубной лифтовый специальный ВВЛС ДУС3.602.005
Выключатель врубной лифтовый специальный ВВЛС ДУС3.602.005 является составной частью устройства вводного ВУ-1 0411.00.01.000 и предназначен для неавтоматической коммутации силовых электрических цепей в устройствах распределения электрической энергии.
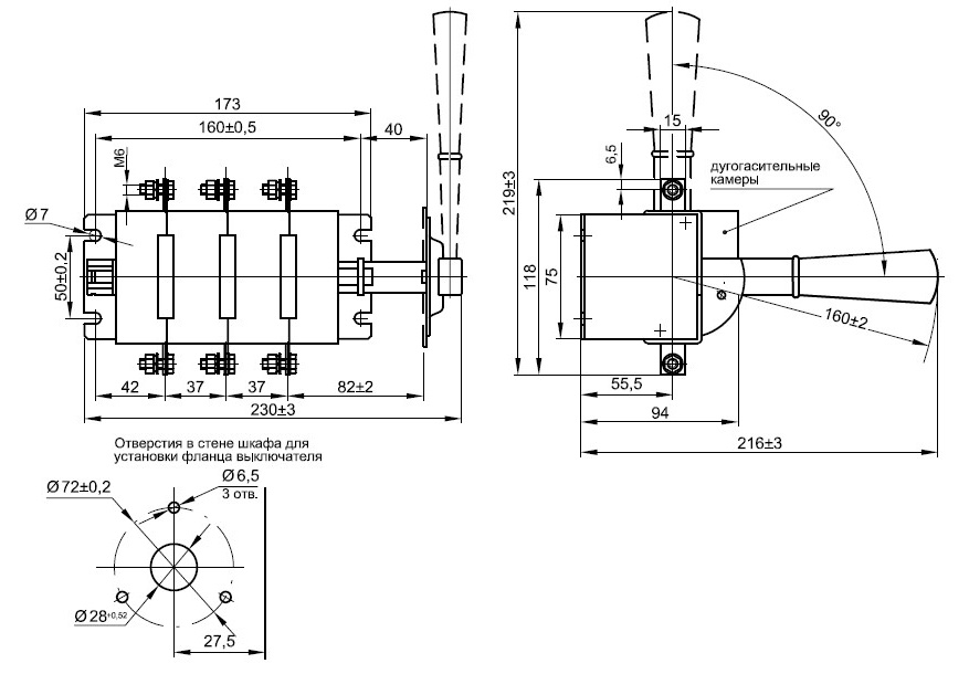
Габаритные размеры выключателя врубного лифтового специального ВВЛС ДУС3.602.005
Технические характеристики врубного лифтового специального ВВЛС ДУС3.602.005
Наименование параметра | Значение |
Номинальное напряжение переменного тока частотой 50 и 60 Гц, В | 380 |
Номинальный ток, А, не более | 80 |
Степень защиты | IP00 |
Климатическое исполнение | УХЛ3, О4 |
Масса, кг, не более | 1,1 |