Вы здесь
Цилиндрические соосные мотор-редукторы RC137/RCF137
Цилиндрические соосные мотор-редукторы RC137/RCF137 предназначены для снижения скорости вращения выходного вала.
Основные характеристики:
- Максимальная мощность – 55 кВт.
- Установка – возможна как в горизонтальном, так и в вертикальном положении.
- Унифицированные присоединительные размеры позволяют заменять мотор-редукторы серий R/RC/RCF аналогичными приводами TOS ZNOJMO, Varvel, NORD, Motovario, SITI.
Варианты монтажа:
- RC137 — на лапах
- RCF137 — с фланцем
Пример условного обозначения при заказе:
RC - 137 - 24,75 - 59,0 - 30 - M1
- RC - цилиндрический соосный мотор-редуктор
- 137 - межосевое расстояние, мм
- 24,75 - передаточное отношение
- 59,0 - частота вращения выходного вала, об/мин
- 30 - мощность электродвигателя, кВт
- M4 - вариант исполнения
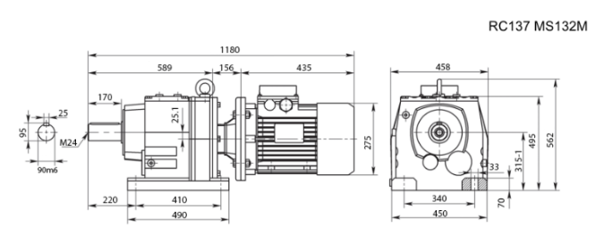
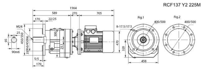
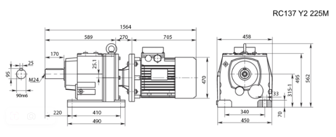
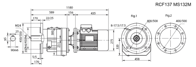
Габаритные размеры RC137/RCF137
RC137 MS132 М
RC137 Y2 225 M
RCF137 MS132 М
RCF137 Y2 225 M
Технические характеристики RC137/RCF137
Мощность, кВт | Частота вращения выходного вала, об/мин | Крутящий момент, Н*м | Передаточное число | Вес, кг |
5.5 | 7.3 | 6764 | 197.3 | 279 |
8.5 | 5832 | 170.1 | ||
9.3 | 5317 | 155.1 | ||
10.5 | 4721 | 137.7 | ||
12.5 | 3963 | 115.6 | ||
13.5 | 3651 | 106.5 | ||
15.2 | 3241 | 94.53 | ||
7.5 | 10.6 | 6349 | 137.7 | 298 |
12.6 | 5330 | 115.6 | ||
13.7 | 4911 | 106.5 | ||
15.4 | 4359 | 94.53 | ||
17.3 | 3893 | 84.43 | ||
19.2 | 3498 | 75.87 | ||
22.2 | 3037 | 65.87 | ||
11 | 15.4 | 6393 | 94.53 | 315 |
17.3 | 5710 | 84.43 | ||
19.2 | 5131 | 75.87 | ||
22.2 | 4455 | 65.87 | ||
24.7 | 3991 | 59.02 | ||
28.1 | 3519 | 52.04 | ||
31.2 | 3166 | 46.81 | ||
15 | 22.2 | 6075 | 65.87 | 380 |
24.7 | 5443 | 59.02 | ||
28.1 | 4799 | 52.04 | ||
31.2 | 4317 | 46.81 | ||
34.7 | 3879 | 42.06 | ||
40.0 | 3362 | 36.46 | ||
18.5 | 28.1 | 5919 | 52.04 | 408 |
31.2 | 5324 | 46.81 | ||
34.7 | 4784 | 42.06 | ||
40.0 | 4147 | 36.46 | ||
44.6 | 3723 | 32.73 | ||
22 | 31.2 | 6331 | 46.81 | 418 |
34.7 | 5689 | 42.06 | ||
40.0 | 4931 | 36.46 | ||
44.6 | 4427 | 32.73 | ||
55.2 | 3579 | 26.46 | ||
59.0 | 3419 | 24.75 | ||
30 | 44.6 | 6037 | 32.73 | 476 |
55.2 | 4880 | 26.46 | ||
59.0 | 4662 | 24.75 | ||
70.2 | 3916 | 20.79 | ||
76.9 | 3575 | 18.98 | ||
37 | 55.2 | 6019 | 26.46 | 529 |
59.0 | 5750 | 24.75 | ||
70.2 | 4830 | 20.79 | ||
76.9 | 4409 | 18.98 | ||
86.2 | 3935 | 16.94 | ||
95.8 | 3540 | 15.24 | ||
45 | 70 | 5874 | 20.79 | 558 |
77 | 5363 | 18.98 | ||
86 | 4786 | 16.94 | ||
96 | 4306 | 15.24 | ||
106 | 3885 | 13.75 | ||
122 | 3374 | 11.94 | ||
138 | 2984 | 10.56 | ||
168 | 2455 | 8.69 | ||
186 | 2215 | 7.84 | ||
214 | 1927 | 6.82 | ||
243 | 1701 | 6.02 | ||
290 | 1424 | 5.04 | ||
55 | 186 | 2707 | 7.84 | 685 |
214 | 2355 | 6.82 | ||
243 | 2079 | 6.02 | ||
290 | 1740 | 5.04 |