Вы здесь
Мотор-редуктор планетарный 3МП-25
Планетарный мотор-редуктор 3МП-25 предназначен для увеличения крутящего момента и применяется в буровых установках, шнековых и ленточных конвейерах, а также в других промышленных механизмах.
Используется в буровых установках для водяного бурения, в конвейерных системах различных типов, а также в других промышленных агрегатах.
Мотор-редуктор рассчитан на продолжительный режим работы S1 по ГОСТ 183 (от 8 до 24 часов в сутки) и работает от сети переменного тока с частотой 50 или 60 Гц, при номинальном напряжении 220 В или 380 В.
Условия эксплуатации:
- нагрузка постоянная и однонаправленная;
- выходной вал может вращаться в любом направлении без предпочтения;
- окружающая среда должна быть неагрессивной и невзрывоопасной, с содержанием непроводящей пыли до 10 мг/м³.
Климатическое исполнение по ГОСТ 15150:
У (умеренный климат), категории 2 и 3:
- Категория 2 – эксплуатация в помещениях с температурой и влажностью, незначительно отличающимися от условий открытого воздуха, при температуре от -10°C до +45°C.
- Категория 3 – эксплуатация в помещениях с более стабильной температурой и влажностью, чем на открытом воздухе, при температуре от -45°C до +40°C.
- Т (тропический климат), категория 2.
- УХЛ (умеренно-холодный климат) и О, категория 4, для работы на высоте до 1000 м над уровнем моря.
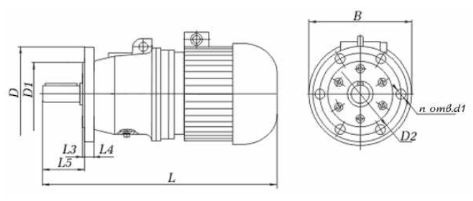
Габаритные размеры 3МП-25
На лапах
Обозначение мотор-редуктора | Частота вращения выходноговала, об/мин | L | B | H | L1 | L2 | B1 | B2 | H1 | H2 | H3 | d |
Не более | ||||||||||||
мотор редуктор 3МП-25 |
3,55…16 | 397 | 150 | 160 | 63 | 110 | 120 | 150 | 80 | 12 | 20 | 12 |
18…90 | 417 | 160 | 171 | |||||||||
112…280 | 478 | 200 | 205 |
На фланце
Обозначение мотор-редуктора | Частота вращения выходного вала, об/мин | L | B | L3 | L4 | L5 | D | D1 | D2 | d1 | n |
Не более | |||||||||||
мотор редуктор 3МП-25 |
3,55…16 | 397 | 150 | 4 | 10 | 50 | 155 | 110 | 130 | 12 | 4 |
18…90 | 417 | 160 | |||||||||
112…280 | 478 | 200 |
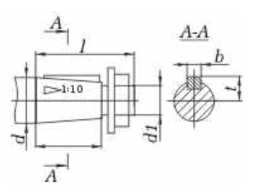
Исполнение и габаритные размеры выходных валов
Размеры цилиндрических валов
Мотор-редуктор | d | l | b | t |
3МП-25 | 25k6 | 42 | 8 | 28 |
Размеры конических валов
Мотор-редуктор | d | d1 | l | l1 | b | t |
3МП-25 | 25 | М16х1,5 | 60 | 42 | 5 | 13,45 |
Размеры полых валов
Мотор-редуктор | d | l | b | t |
3МП-25 | по индивидуальному заказу |
Конструктивное исполнение по способу монтажа мотор-редукторов 3МП
Технические характеристики 3МП-25
n, об/мин | мотор редуктор 3МП-25 | n, об/мин | |
Мкр, Н.м | P, кВт | ||
мотор-редукторы трехступенчатые | |||
3,55 | 90 | 0,12 | 3,55 |
4,4 | 90 | 0,12 | 4,4 |
5,6 | 90 | 0,12 | 5,6 |
7,1 | 90 | 0,12 | 7,1 |
9 | 90 | 0,12 | 9 |
12,5 | 87 | 0,12 | 12,5 |
16 | 68 | 0,12 | 16 |
мотор-редукторы двухступенчатые | |||
18 | 62 | 0,12 | 18 |
22,4 | 74 | 0,18 | 22,4 |
28 | 83 | 0,25 | 28 |
35,5 | 65 | 0,25 | 35,5 |
45 | 76 | 0,37 | 45 |
56 | 61 | 0,37 | 56 |
71 | 72 | 0,55 | 71 |
90 | 57 | 0,55 | 90 |
мотор-редукторы одноступенчатые | |||
112 | 63 | 0,75 | 112 |
140 | 74 | 1,1 | 140 |
180 | 79 | 1,5 | 180 |
224 | 63 | 1,5 | 224 |
280 | 74 | 2,2 | 280 |
Пример условного обозначения мотор-редуктора при заказе:
3МП-50-28-1,5-G110-Ц-У3, где
- 3МП - тип мотор-редуктора;
- 50 - радиус расположения осей сателлитов, мм;
- 28 - номинальная частота вращения выходного вала, об/мин;
- 1,5 - мощность комплектующего электродвигателя, кВт;
- G110 - конструктивное исполнение по способу монтажа;
- Ц - вариант исполнения выходного вала;
- У3 - климатические исполнения