Вы здесь
Мотор-редуктор планетарный 3МП-50
Планетарный мотор-редуктор 3МП-50 предназначен для увеличения крутящего момента и применяется в буровых установках, шнековых и ленточных конвейерах, а также в других промышленных механизмах.
Используется в буровых установках для водяного бурения, в конвейерных системах различных типов, а также в других промышленных агрегатах.
Мотор-редуктор рассчитан на продолжительный режим работы S1 по ГОСТ 183 (от 8 до 24 часов в сутки) и работает от сети переменного тока с частотой 50 или 60 Гц, при номинальном напряжении 220 В или 380 В.
Условия эксплуатации:
- нагрузка постоянная и однонаправленная;
- выходной вал может вращаться в любом направлении без предпочтения;
- окружающая среда должна быть неагрессивной и невзрывоопасной, с содержанием непроводящей пыли до 10 мг/м³.
Климатическое исполнение по ГОСТ 15150:
У (умеренный климат), категории 2 и 3:
- Категория 2 – эксплуатация в помещениях с температурой и влажностью, незначительно отличающимися от условий открытого воздуха, при температуре от -10°C до +45°C.
- Категория 3 – эксплуатация в помещениях с более стабильной температурой и влажностью, чем на открытом воздухе, при температуре от -45°C до +40°C.
- Т (тропический климат), категория 2.
- УХЛ (умеренно-холодный климат) и О, категория 4, для работы на высоте до 1000 м над уровнем моря.
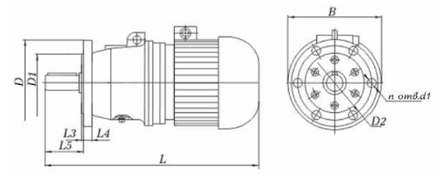
Габаритные размеры 3МП-50
На лапах
Обозначение мотор-редуктора | Частота вращения выходноговала, об/мин | L | B | H | L1 | L2 | B1 | B2 | H1 | H2 | H3 | d |
Не более | ||||||||||||
мотор редуктор 3МП-50 |
3,55…16 | 637 | 270 | 295 | 145 | 210 | 220 | 265 | 132 | 22 | 43 | 22 |
18…90 | 682 | 270 | 295 | |||||||||
112…280 | 925 | 350 | 360 |
На фланце
Обозначение мотор-редуктора | Частота вращения выходного вала, об/мин | L | B | L3 | L4 | L5 | D | D1 | D2 | d1 | n |
Не более | |||||||||||
мотор редуктор 3МП-50 |
3,55…16 | 637 | 270 | 8 | 18 | 124 | 250 | 180 | 215 | 17 | 6 |
18…90 | 682 | 270 | |||||||||
112…280 | 925 | 350 |
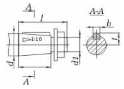
Исполнение и габаритные размеры выходных валов
Размеры цилиндрических валов
Мотор-редуктор | d | l | b | t |
3МП-50 | 45k6 | 110 | 14 | 48,5 |
Размеры конических валов
Мотор-редуктор | d | d1 | l | l1 | b | t |
3МП-50 | 45 | М30х2,0 | 110 | 82 | 12 | 23,45 |
Размеры полых валов
Мотор-редуктор | d | l | b | t |
3МП-50 | 40Н7 | 80 | 12 | 43,3 |
Конструктивное исполнение по способу монтажа мотор-редукторов 3МП
Технические характеристики 3МП-50
n, об/мин | мотор редуктор 3МП-50 | n, об/мин | |
Мкр, Н.м | P, кВт | ||
мотор-редукторы трехступенчатые | |||
3,55 | 459 | 0,18 | 3,55 |
638 | 0,25 | ||
4,4 | 750 | 0,37 | 4,4 |
515 | 0,25 | ||
5,6 | 750 | 0,55 | 5,6 |
598 | 0,37 | ||
7,1 | 702 | 0,55 | 7,1 |
472 | 0,37 | ||
9 | 750 | 0,75 | 9 |
554 | 0,55 | ||
12,5 | 750 | 1,1 | 12,5 |
543 | 0,75 | ||
16 | 623 | 1,1 | 16 |
425 | 0,75 | ||
мотор-редукторы двухступенчатые | |||
18 | 750 | 1,5 | 18 |
565 | 1,1 | ||
22,4 | 750 | 2,2 | 22,4 |
620 | 1,5 | ||
28 | 727 | 2,2 | 28 |
496 | 1,5 | ||
35,5 | 750 | 3 | 35,5 |
573 | 2,2 | ||
45 | 617 | 3 | 45 |
452 | 2,2 | ||
56 | 661 | 4 | 56 |
496 | 3 | ||
71 | 717 | 5,5 | 71 |
521 | 4 | ||
90 | 565 | 5,5 | 90 |
411 | 4 | ||
мотор-редукторы одноступенчатые | |||
112 | 633 | 7,5 | 112 |
464 | 5,5 | ||
140 | 742 | 11 | 140 |
506 | 7,5 | ||
180 | 750 | 15 | 180 |
577 | 11 | ||
224 | 633 | 15 | 224 |
464 | 11 | ||
280 | 506 | 15 | 280 |
371 | 11 |
Пример условного обозначения мотор-редуктора при заказе:
3МП-50-28-1,5-G110-Ц-У3, где
- 3МП - тип мотор-редуктора;
- 50 - радиус расположения осей сателлитов, мм;
- 28 - номинальная частота вращения выходного вала, об/мин;
- 1,5 - мощность комплектующего электродвигателя, кВт;
- G110 - конструктивное исполнение по способу монтажа;
- Ц - вариант исполнения выходного вала;
- У3 - климатические исполнения