Вы здесь
Мотор-редуктор планетарный МР1-315
Планетарный мотор-редуктор МР1-315 предназначен для непрерывной эксплуатации в соответствии с ГОСТ 183-74 и используется в качестве привода для различных установок химической промышленности. Конструкция рассчитана на долговечную работу, превышающую 40 000 часов.
Мотор-редуктор представляет собой единый узел, включающий асинхронный электродвигатель с обдувом и планетарный редуктор.
Допустимая нагрузка на выходном валу:
- Радиальная нагрузка для моделей МР1-315 и МР1-315У – 300 кН;
- Для модели МР1-500 – 600 кН.
Преимущества МР1-315:
- Высокая грузоподъёмность и надёжность;
- Долговечность и бесперебойная работа;
- Эффективное использование энергии;
- Широкий диапазон передаточных чисел.
Условия эксплуатации:
- Непрерывный режим работы, с возможностью реверса и периодических остановок;
- Допустимы постоянные и переменные нагрузки, как однонаправленные, так и реверсивные;
- Вращение выходного вала возможно в любом направлении;
- Рабочая температура окружающей среды – от -40°C до +40°C;
- Среда эксплуатации – неагрессивная, с содержанием непроводящей пыли до 10 мг/м³ и относительной влажностью до 80% при +20°C (для моделей с закрытыми обдуваемыми электродвигателями).
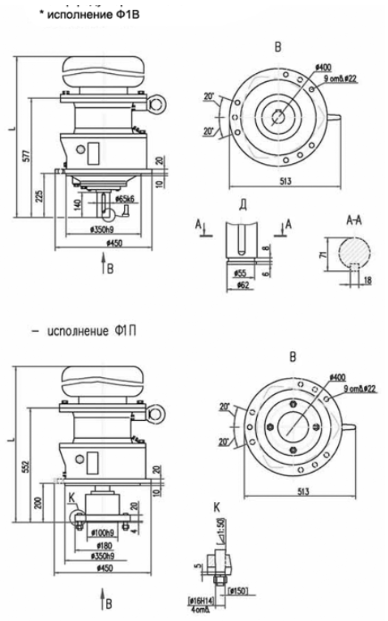
Габаритные размеры МР1-315
Технические характеристики МР1-315
Типоразмер | Исполнение по монтажу | Номинальное передаточное число | Номинальная частота вращения выходного вала, об/мин | Номинальный крутящий момент на выходном валу, Н.м | Допускаемая радиальная нагрузка на выходном валу,Н |
МР1-315-15-315 | Ф1П, Ф1В | 4,6 | 315 | 890 | 3000 |
МР1-315-16-315 | 550 | ||||
МР1-315-26-315 | |||||
МР1-315-15-250 | 5,7 | 250 | 1125 | ||
МР1-315-16-250 | 690 | ||||
МР1-315-26-250 | |||||
МР1-315-16-200 | 7,4 | 200 | 865 | ||
МР1-315-26-200 | |||||
МР1-315-15-160 | 5,7 | 160 | 1080 | ||
МР1-315-16-160 | 875 | ||||
МР1-315-26-160 | |||||
МР1-315-16-125 | 7,4 | 125 | 1125 | ||
МР1-315-26-125 | |||||
МР1-315-16-100 | 100 | 1030 | |||
МР1-315-26-100 | |||||
МР1-315У-14-315 | Ф1П, Ф1В | 4,6 | 315 | 1335 | 3000 |
МР1-315У-25-315 | 890 | ||||
МР1-315У-14-250 | 5,7 | 250 | 1685 | ||
МР1-315У-25-250 | 1125 | ||||
МР1-315У-14-200 | 7,4 | 200 | 2105 | ||
МР1-315У-14-200 | 1730 | ||||
МР1-315У-25-200 | 1405 | ||||
МР1-315У-14-160 | 5,7 | 160 | 1755 | ||
МР1-315У-25-160 | 1080 | ||||
МР1-315У-14-125 | 7,4 | 125 | 1645 | ||
МР1-315У-25-125 | 1385 | ||||
МР1-315У-14-100 | 100 | 1730 | |||
МР1-315У-25-100 | 1405 |
Типоразмер | Масса, кг | Двигатель | L,мм | ||
Редукторной части | Мотор-редуктора | Тип | Мощность, кВт | ||
МР1-315-15-315 | 185 | 370 | 4А180М4 | 30 | 1160 |
МР1-315-16-315 | 330 | 4А160М4 | 18,5 | 1125 | |
МР1-315-26-315 | 420 | В160М4 | 1195 | ||
МР1-315-15-250 | 370 | 4А180М4 | 30 | 1160 | |
МР1-315-16-250 | 330 | 4А160М4 | 18,5 | 1125 | |
МР1-315-26-250 | 420 | В160М4 | 1195 | ||
МР1-315-16-200 | 330 | 4А160М4 | 1125 | ||
МР1-315-26-200 | 420 | В160М4 | 1195 | ||
МР1-315-15-160 | 370 | 4А180М6 | 1160 | ||
МР1-315-16-160 | 330 | 4А160М6 | 15 | 1125 | |
МР1-315-26-160 | 420 | В160М6 | 1195 | ||
МР1-315-16-125 | 330 | 4А160М6 | 1125 | ||
МР1-315-26-125 | 420 | В160М6 | 1195 | ||
МР1-315-16-100 | 330 | 4А160М8 | 11 | 1125 | |
МР1-315-26-100 | 420 | В160М8 | 1195 | ||
МР1-315У-14-315 | 185 | 460 | 4A200L4 | 45 | 1275 |
МР1-315У-25-315 | 535 | В180М4 | 30 | 1335 | |
МР1-315У-14-250 | 460 | 4A200L4 | 45 | 1275 | |
МР1-315У-25-250 | 535 | В180М4 | 30 | 1335 | |
МР1-315У-14-200 | 460 | 4А200L4 | 45 | 1275 | |
МР1-315У-14-200 | 420 | 4А200М4 | 37 | 1235 | |
МР1-315У-25-200 | 535 | В180М4 | 30 | 1365 | |
МР1-315У-14-160 | 460 | 4A200L6 | 1275 | ||
МР1-315У-25-160 | 505 | В180М6 | 18,5 | 1270 | |
МР1-315У-14-125 | 420 | 4А200М6 | 22 | 1235 | |
МР1-315У-25-125 | 505 | В180М6 | 18,5 | 1270 | |
МР1-315У-14-100 | 420 | 4А200М8 | 1235 | ||
МР1-315У-25-100 | 505 | В180М8 | 15 | 1270 |