Вы здесь
Консольно-моноблочный насос (КМ) — КМ 50-32-125-Т
Консольно-моноблочный насос КМ 50-32-125-Т с торцевым уплотнением предназначен для перекачивания воды (не морской) в стационарных условиях при температуре до +120°C.
Обозначение "Т" указывает на наличие торцевого уплотнения.
Насос также подходит для работы с другими жидкостями, аналогичными воде по химическому составу, плотности и вязкости, при условии, что они содержат твердые частицы размером не более 0,2 мм, а их объемная концентрация не превышает 0,1%.
Допустимое значение водородного показателя (pH) перекачиваемой среды должно находиться в пределах от 6 до 9.
Конструктивные особенности КМ 50-32-125-Т
- Тип исполнения: моноблочный, горизонтальный центробежный насос с односторонним подводом жидкости к рабочему колесу.
- Привод: электродвигатель специальной конструкции с удлиненным концом вала. Корпусные элементы насоса закреплены на фланцевом щите двигателя.
- Рабочее колесо: закрытого типа, состоит из двух дисков и уплотнительных поясков. Уплотнение между колесом и корпусом предотвращает переток жидкости из зоны высокого давления в зону низкого.
Материалы КМ 50-32-125-Т
- детали проточной части насоса: чугун;
- уплотнение вала: торцевое, для перекачивания воды температурой до +1200C,
- допустимое избыточное давление на входе в насос КМ 50-32-125-т: 3,5 кгс/см2 (по ГОСТ 22247);
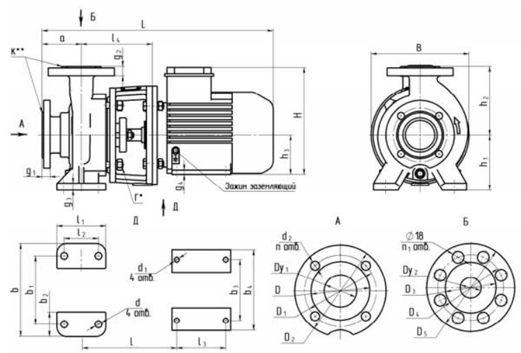
Габаритные размеры КМ 50-32-125-Т
Типоразмер насоса | Размеры, мм | |||||||||||||||
L | l | l1 | l2 | l3 | l4 | B | b | b1 | b2 | b3 | b4 | H | h1 | h2 | h3 | |
КМ 50-32-125-т | 500 | 195 | 100 | 70 | 100 | 145 | 200 | 190 | 140 | 50 | 125 | 165 | 218 | 112 | 140 | 80 |
Типоразмер насоса | Размеры, мм | |||||||||||||||||
D | D1 | D2 | D3 | D4 | D5 | Dy1 | Dy2 | d | d1 | d2 | g1 | g2 | g3 | g4 | n | n1 | a | |
КМ 50-32-125-т | 90 | 110 | 140 | 78 | 100 | 135 | 50 | 32 | 14 | 10 | 14 | 16 | 19 | 14 | 9 | 4 | 4 | 80 |
Технические характеристики КМ 50-32-125-Т
Подача | 12,5 м3/час |
Напор | 20 м водного столба |
Электродвигатель | 2,2 кВт / 3000 об./мин |
Рабочая температура жидкости | до +1200С |
Дополнительный кавитационный запас | 3,8 м |
КПД | 55% |
Габариты насоса | 500х200х252 мм |
Масса насоса | 32 кг |