Вы здесь
Насосы серии ЦВС 2
Насосы серии ЦВС 1 предназначены для перекачивания воды, а также других невзрывоопасных жидкостей, сходных с водой по вязкости и химической активности c показателем pH от 6,5 до 8,0, содержащих твёрдые включения в количестве не более 0,1% по объёму и размерам частиц не более 0,2 мм.
Температура перекачиваемой жидкости не должна превышать +60°С для ЦВС и +105°С для ЦВС(Г).
Не допускается перекачивать легковоспламеняемые жидкости!
Материал рабочего колеса, диффузора:
- нержавеющая сталь 08Х18Н10;
- нержавеющая сталь 03Х17Н14М3;
- износостойкий пластик чугун.
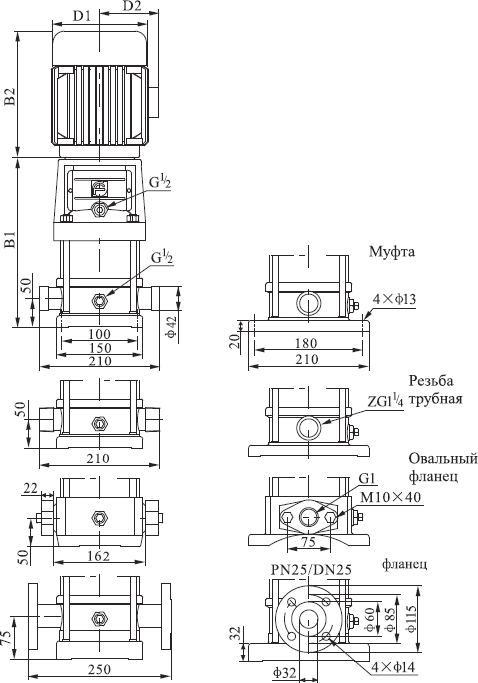
Варианты исполнения соединений:
- с круглым фланцем;
- режущая муфта, совместное подключение;
- резьбовое соединение труб;
- с овальным фланцем.
Габаритные размеры ЦВС 2
Исполнение насоса | Размеры, мм | ||||
B1 | B2 | B1+B2 | D1 | D2 | |
ЦВС2-2 | 258 | 201 | 459 | 122 | 110 |
ЦВС2-3 | 276 | 201 | 477 | 122 | 110 |
ЦВС2-4 | 294 | 201 | 495 | 122 | 110 |
ЦВС2-5 | 312 | 201 | 513 | 122 | 110 |
ЦВС2-6 | 340 | 240 | 580 | 137 | 129 |
ЦВС2-7 | 358 | 240 | 598 | 137 | 129 |
ЦВС2-8 | 376 | 240 | 616 | 137 | 129 |
ЦВС2-9 | 394 | 240 | 634 | 137 | 129 |
ЦВС2-10 | 412 | 240 | 652 | 137 | 129 |
ЦВС2-11 | 430 | 240 | 670 | 137 | 129 |
ЦВС2-12 | 448 | 252 | 700 | 158 | 129 |
ЦВС2-13 | 476 | 252 | 728 | 158 | 129 |
ЦВС2-14 | 494 | 252 | 746 | 158 | 129 |
ЦВС2-15 | 512 | 252 | 764 | 158 | 129 |
ЦВС2-16 | 530 | 270 | 800 | 158 | 129 |
ЦВС2-17 | 548 | 270 | 818 | 158 | 129 |
ЦВС2-18 | 566 | 270 | 836 | 158 | 129 |
ЦВС2-19 | 584 | 270 | 854 | 158 | 129 |
ЦВС2-20 | 602 | 270 | 872 | 158 | 129 |
ЦВС2-21 | 620 | 270 | 890 | 158 | 129 |
ЦВС2-22 | 638 | 270 | 908 | 158 | 129 |
ЦВС2-23 | 656 | 307 | 963 | 177 | 150 |
ЦВС2-24 | 674 | 307 | 981 | 177 | 150 |
ЦВС2-25 | 692 | 307 | 999 | 177 | 150 |
ЦВС2-26 | 692 | 307 | 999 | 177 | 150 |
Технические характеристики ЦВС 2
Исполнение насоса | Число ступеней | Мощность электродв., кВт | Параметр | Подача, м3/ч | |||||||
1,0* | 1,2 | 1,6 | 2 | 2,4 | 2,8 | 3,2 | 3,5* | ||||
ЦВС2-2 | 2 | 0,37 | Напор, м | 18 | 17 | 16 | 15 | 13 | 12 | 10 | 8 |
ЦВС2-3 | 3 | 0,37 | 27 | 26 | 24 | 22 | 2 | 18 | 15 | 12 | |
ЦВС2-4 | 4 | 0,55 | 36 | 35 | 33 | 30 | 26 | 24 | 20 | 16 | |
ЦВС2-5 | 5 | 0,55 | 45 | 43 | 40 | 37 | 33 | 30 | 24 | 20 | |
ЦВС2-6 | 6 | 0,75 | 53 | 52 | 50 | 45 | 40 | 36 | 30 | 24 | |
ЦВС2-7 | 7 | 0,75 | 63 | 61 | 57 | 52 | 47 | 41 | 35 | 28 | |
ЦВС2-8 | 8 | 1,1 | 70 | 69 | 65 | 60 | 54 | 48 | 39 | 34 | |
ЦВС2-9 | 9 | 1,1 | 80 | 78 | 73 | 67 | 61 | 54 | 45 | 37 | |
ЦВС2-10 | 10 | 1,1 | 89 | 85 | 80 | 73 | 66 | 58 | 48 | 40 | |
ЦВС2-11 | 11 | 1,1 | 98 | 95 | 89 | 82 | 73 | 64 | 54 | 44 | |
ЦВС2-12 | 12 | 1,5 | 108 | 104 | 98 | 90 | 80 | 70 | 58 | 48 | |
ЦВС2-13 | 13 | 1,5 | 116 | 114 | 106 | 98 | 89 | 78 | 65 | 52 | |
ЦВС2-14 | 14 | 1,5 | 126 | 122 | 115 | 108 | 98 | 83 | 69 | 57 | |
ЦВС2-15 | 15 | 1,5 | 134 | 130 | 123 | 112 | 100 | 90 | 73 | 60 | |
ЦВС2-16 | 16 | 2,2 | 144 | 140 | 132 | 122 | 110 | 96 | 80 | 66 | |
ЦВС2-17 | 17 | 2,2 | 153 | 149 | 140 | 130 | 117 | 102 | 85 | 69 | |
ЦВС2-18 | 18 | 2,2 | 161 | 157 | 148 | 136 | 121 | 108 | 91 | 76 | |
ЦВС2-19 | 19 | 2,2 | 171 | 168 | 158 | 146 | 131 | 116 | 98 | 80 | |
ЦВС2-20 | 20 | 2,2 | 181 | 178 | 168 | 155 | 139 | 120 | 101 | 85 | |
ЦВС2-21 | 21 | 2,2 | 188 | 182 | 172 | 159 | 142 | 126 | 106 | 88 | |
ЦВС2-22 | 22 | 2,2 | 197 | 192 | 180 | 165 | 148 | 130 | 110 | 90 | |
ЦВС2-23 | 23 | 3 | 207 | 201 | 190 | 175 | 158 | 139 | 117 | 98 | |
ЦВС2-24 | 24 | 3 | 215 | 210 | 198 | 182 | 166 | 146 | 123 | 102 | |
ЦВС2-25 | 25 | 3 | 225 | 219 | 206 | 190 | 173 | 152 | 129 | 107 | |
ЦВС2-26 | 26 | 3 | 232 | 228 | 214 | 198 | 179 | 158 | 130 | 110 |