Вы здесь
Насосы типа ЦВС 1
Насосы серии ЦВС 1 предназначены для перекачивания воды, а также других невзрывоопасных жидкостей, сходных с водой по вязкости и химической активности c показателем pH от 6,5 до 8,0, содержащих твёрдые включения в количестве не более 0,1% по объёму и размерам частиц не более 0,2 мм.
Температура перекачиваемой жидкости не должна превышать +60°С для ЦВС и +105°С для ЦВС(Г).
Не допускается перекачивать легковоспламеняемые жидкости!
Материал рабочего колеса, диффузора:
- нержавеющая сталь 08Х18Н10;
- нержавеющая сталь 03Х17Н14М3;
- износостойкий пластик чугун.
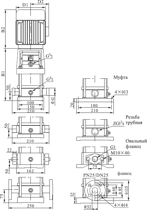
Варианты исполнения соединений:
- с круглым фланцем;
- режущая муфта, совместное подключение;
- резьбовое соединение труб;
- с овальным фланцем.
Габаритные размеры ЦВС 1
Исполнение насоса | Размеры, мм | ||||
B1 | B2 | B1+B2 | D1 | D2 | |
ЦВС1-2 | 258 | 210 | 468 | 148 | 117 |
ЦВС1-3 | 276 | 210 | 486 | 148 | 117 |
ЦВС1-4 | 294 | 210 | 504 | 148 | 117 |
ЦВС1-5 | 312 | 210 | 522 | 148 | 117 |
ЦВС1-6 | 330 | 210 | 540 | 148 | 117 |
ЦВС1-7 | 348 | 210 | 558 | 148 | 117 |
ЦВС1-8 | 366 | 210 | 576 | 148 | 117 |
ЦВС1-9 | 384 | 210 | 594 | 148 | 117 |
ЦВС1-10 | 402 | 210 | 612 | 148 | 117 |
ЦВС1-11 | 420 | 210 | 630 | 148 | 117 |
ЦВС1-12 | 448 | 245 | 693 | 170 | 142 |
ЦВС1-13 | 466 | 245 | 711 | 170 | 142 |
ЦВС1-15 | 502 | 245 | 747 | 170 | 142 |
ЦВС1-17 | 538 | 245 | 783 | 170 | 142 |
ЦВС1-19 | 574 | 245 | 819 | 170 | 142 |
ЦВС1-21 | 610 | 245 | 855 | 170 | 142 |
ЦВС1-23 | 646 | 245 | 891 | 170 | 142 |
ЦВС1-25 | 692 | 290 | 982 | 190 | 155 |
ЦВС1-27 | 728 | 290 | 1018 | 190 | 155 |
ЦВС1-30 | 782 | 290 | 1072 | 190 | 155 |
ЦВС1-33 | 836 | 290 | 1126 | 190 | 155 |
ЦВС1-36 | 890 | 290 | 1180 | 190 | 155 |
Технические характеристики ЦВС 1
Исполнение насоса | Число ступеней | Мощность эл.двигателя, кВт | Параметр | Подача, м3/ч | ||||||||
0,4 | 0,6 | 0,8 | 1 | 1,2 | 1,4 | 1,6 | 1,8 | 2 | ||||
ЦВС1-2 | 2 | 0,37 | Напор, м | 13 | 12,5 | 12 | 11,5 | 11 | 10,5 | 10 | 9,5 | 9 |
ЦВС1-3 | 3 | 0,37 | 19 | 18 | 17,5 | 17 | 16,5 | 16 | 15 | 14 | 12 | |
ЦВС1-4 | 4 | 0,37 | 24 | 23,5 | 23 | 22,5 | 21,5 | 21 | 19 | 18 | 16 | |
ЦВС1-5 | 5 | 0,37 | 30 | 29,6 | 29 | 28 | 27 | 26 | 24 | 22 | 20 | |
ЦВС1-6 | 6 | 0,37 | 36 | 35,5 | 35 | 33,5 | 33 | 31 | 28 | 26 | 23 | |
ЦВС1-7 | 7 | 0,37 | 42 | 41 | 40,5 | 39 | 38 | 36 | 33 | 30 | 27 | |
ЦВС1-8 | 8 | 0,55 | 48 | 47 | 46 | 45 | 43 | 41 | 38 | 34 | 30 | |
ЦВС1-9 | 9 | 0,55 | 54 | 53 | 52 | 51 | 49 | 46 | 43 | 39 | 33 | |
ЦВС1-10 | 10 | 0,55 | 60 | 59 | 58 | 57 | 54 | 51 | 48 | 43 | 36 | |
ЦВС1-11 | 11 | 0,55 | 66 | 65 | 63 | 61 | 59 | 56 | 52 | 47 | 40 | |
ЦВС1-12 | 12 | 0,75 | 72 | 71 | 69 | 67 | 64 | 61 | 57 | 51 | 44 | |
ЦВС1-13 | 13 | 0,75 | 78 | 77 | 75 | 73 | 69 | 66 | 62 | 55 | 47 | |
ЦВС1-15 | 15 | 0,75 | 89 | 88 | 86 | 84 | 79 | 76 | 71 | 63 | 55 | |
ЦВС1-17 | 17 | 1,1 | 101 | 99 | 97 | 95 | 89 | 86 | 80 | 71 | 62 | |
ЦВС1-19 | 19 | 1,1 | 113 | 110 | 108 | 106 | 99 | 96 | 89 | 79 | 69 | |
ЦВС1-21 | 21 | 1,1 | 124 | 122 | 120 | 117 | 110 | 106 | 98 | 87 | 75 | |
ЦВС1-23 | 23 | 1,1 | 137 | 133 | 131 | 128 | 121 | 116 | 107 | 96 | 82 | |
ЦВС1-25 | 25 | 1,5 | 149 | 145 | 143 | 139 | 131 | 126 | 116 | 104 | 89 | |
ЦВС1-27 | 27 | 1,5 | 161 | 157 | 155 | 150 | 141 | 136 | 125 | 112 | 95 | |
ЦВС1-30 | 30 | 1,5 | 178 | 175 | 171 | 166 | 157 | 150 | 139 | 124 | 106 | |
ЦВС1-33 | 33 | 2,2 | 196 | 192 | 188 | 183 | 173 | 165 | 154 | 137 | 118 | |
ЦВС1-36 | 36 | 2,2 | 214 | 210 | 205 | 200 | 190 | 181 | 169 | 151 | 130 |