Вы здесь
Винтовой вакуумный насос VARODRY VD 200, 400V 50Hz
Винтовой вакуумный насос VARODRY VD 200, 400V 50Hz – это современное безмасляное оборудование, специально разработанное для широкого спектра промышленных задач.
Благодаря уникальной конструкции и передовым техническим решениям, насос обеспечивает надежную и эффективную работу в самых сложных условиях.
Насос VARODRY VD 200, 400V 50Hz отличается устойчивостью к прорывам атмосферы, что делает его идеальным выбором для промышленных процессов, требующих стабильности и долговечности.
Отсутствие необходимости в смазочных материалах и универсальность применения значительно снижают затраты на эксплуатацию и обслуживани
Преимущества VARODRY VD 200
- Высокая производительность: оптимизированная конструкция роторов обеспечивает отличную быстроту действия и конкурентоспособную скорость откачки в полном диапазоне давлений.
- Широкий рабочий диапазон: насос способен непрерывно работать при давлении от атмосферного до остаточного менее 0,01 мбар.
- Работа с различными средами: VARODRY VD 200 эффективно справляется с пыльными средами и средами, содержащими капельную влагу, а также подходит для циклической откачки и быстрого срыва атмосферы.
Ключевые особенности VARODRY VD 200
- Алюминиевые анодированные роторы: их переменный шаг и продуманное распределение температуры обеспечивают повышенную энергоэффективность и возможность работы с реактивными газами.
- Ременный привод: исключает необходимость использования смазочных материалов, снижая эксплуатационные расходы и упрощая обслуживание.
- Газобалласт: встроенная система позволяет эффективно откачивать среды с высоким содержанием влаги и пыли.
- Гибкая система продувки: возможность настройки продувки (на стороне всасывания или нагнетания, либо ее полного отключения) для работы с вредными, пыльными или конденсируемыми газами.
- Воздушное охлаждение: встроенная система охлаждения исключает необходимость внешних водяных контуров.
- Глушитель с дренажной системой: обеспечивает снижение уровня шума и упрощает удаление конденсата
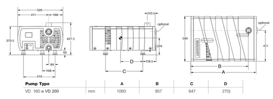
Габаритные размеры VD 200, 400V 50Hz

Технические характеристики VD 200, 400V 50Hz
| Наименование параметра | Значение |
| Номинальная быстрота действия, м3/ч | 200 |
| Предельное остаточное давление без газобалласта, мбар | 0,01 |
| Предельное остаточное давление с газобалластом, мбар | 0,1 |
| Максимально допускаемое входное давление, мбар | 1200 |
| Максимально допускаемое выходное давление, мбар (изб) | 200 |
| Допустимое давление водяного пара со стандартным газобалластом, мбар | 20 |
| Допустимое давление водяного пара с большим газобалластом, мбар | 60 |
| Производительность по водяному пару со стандартным газобалластом, кг/ч | 2,4 |
| Производительность по водяному пару с большим газобалластом, кг/ч | 6,7 |
| Уровень шума на предельном остаточном давлении, дБ | 70 |
| Максимальная мощность электродвигателя, кВт | 4 |
| Частота вращения электродвигателя при частоте, об/мин | |
| 50 Гц | 1500 |
| 60 Гц | 1800 |
| Степень защиты электродвигателя | IP 55 - F |
| Входной фланец | G2” |
| Выходной фланец | G 1 ½” |
| Габаритные размеры, мм | 1060х599х428 |
| Масса, кг | 130 |
| Встроенный глушитель с дренажным клапаном | Наличие |
| Встроенный байпасый клапан | Наличие |
| Конструкция ротора с переменным шагом винта | Наличие |
| Система продувки ротора | Наличие |
| Встроенная система воздушного охлаждения | Наличие |
| Ременная система привода и синхронизации роторов | Наличие |
| Подшипники смазанные на весь срок службы | Наличие |
| Встроенный кожух насоса, обеспечивающий низкий уровень шума, гигиеничность и защиту персонала. | Наличие |
| Возможность выбора ориентации входного патрубка (горизонтально/вертикально) | Наличие |
| Конструкция насоса позволяет откачивать газовые среды, содержащие капельную влагу | Наличие |




