Вы здесь
Плунжерные насосы дозаторы Etatron P
Плунжерные дозирующие насосы Etatron P предназначены для точного дозирования воды или химически активных реагентов при высоком противодавлении.
Головка насоса соединена с электродвигателем через коробку передач с возвратными пружинами.
Корпус насоса изготовлен из литого алюминия и защищен антикоррозийной эпоксидной краской. Производительность насосов регулируется с помощью микрометрической ручки, управляющей ходом плунжера.
Регулировка производительности может осуществляться в процессе работы насоса. Насос активируется вертикально расположенным двигателем.
Коробка передач функционирует по принципу свободного хода (возврат плунжера обеспечивается пружиной).
Производительность насосов составляет от 14 до 1027 л/ч, а противодавление достигает 25 бар.
Применение плунжерных насосов
- когда необходимо повышенное противодавление;
- дозируемая жидкость не является абразивной и не содержит нерастворимых частиц;
- дозируемая жидкость не является вязкой.
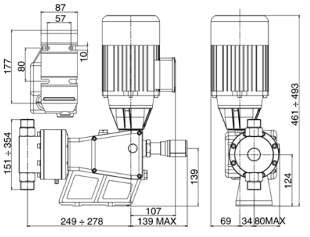
Габаритные размеры Etatron P




