Вы здесь
Вакуумный насос мембранный НВМ - 10 ( 220 В)
Вакуумный мембранный насос НВМ-10 220V предназначен для откачивания воздуха и неагрессивных газов, паров и парогазовых смесей из герметичных объемов, а также для работы при остаточном давлении от атмосферного до предельного. Он не должен содержать механических загрязнений.
Основные преимущества
- Клапанная конструкция обеспечивает самозапирание насоса.
- Доступны варианты с химической стойкостью для работы с органическими веществами, щелочами и кислотами.
- Насос может функционировать в режиме компрессора, позволяя нагнетать давление до 2 кг/см².
- Возможна комплектация взрывозащищенным электродвигателем.
Области применения
- Вакуумные печи.
- Присоски и манипуляторы.
- Вакуумная фильтрация.
- Медицинская техника.
- Печатные машины.
- Монтаж и ремонт холодильного оборудования.
- Молекулярная дистилляция и другие.
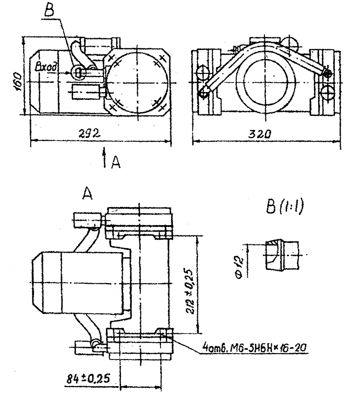
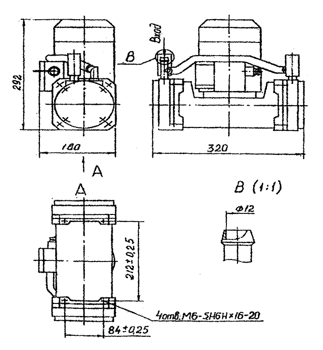
Габаритные размеры НВМ-10 220v
НВМ-10 1B, НВМ-10 2B
НВМ-10 1Г, НВМ-10 2Г
Технические характеристики НВМ-10 220v
Число ступеней | 2 |
Производительность вакуумного насоса при атмосферном давлении, м3/ч (л/с): | |
- При параллельной работе ступеней | 10 (2,8) |
- При последовательной работе ступеней | 5 (1,4) |
Предельно остаточное давление, кПа (мм.рт.ст.): | |
- При параллельной работе ступеней | 6,6(50) |
- При последовательной работе ступеней | 1,3(10) |
Уровень звука, дБа | 62 |
Электропитание, В | 220 |
Электродвигатель, кВт | 0,37 |
Габаритные размеры насоса, мм: | |
- Длина | 320 |
- Ширина | 290 |
- Высота | 165 |
Масса вакуумного насоса, кг | 15 |