Вы здесь
Вакуумный водокольцевой насос ВВН-50 АМ НЖ
ВВН-50 АМ НЖ — это водокольцевой вакуумный насос промышленного назначения, разработанный для создания разрежения в герметичных системах.
Данный насос применяется в различных отраслях: от химической и фармацевтической промышленности до пищевого производства и энергетики.
Главной особенностью модели является исполнение из нержавеющей стали (НЖ), что обеспечивает высокую коррозионную стойкость и возможность работы с агрессивными средами, включая химические пары, газы и жидкости.
Преимущества ВВН-50 АМ НЖ:
- Корпус и рабочие элементы из нержавеющей стали — долговечность и устойчивость к агрессивной среде;
- Производительность до 50 м³/ч, что делает насос универсальным решением для систем средней мощности;
- Низкий уровень шума и вибрации благодаря устойчивой конструкции и водокольцевому принципу работы;
- Безопасность и надежность — насос способен работать в непрерывном режиме, не требуя частого обслуживания;
- Возможность рециркуляции рабочей жидкости, что снижает эксплуатационные затраты.
Области применения ВВН-50 АМ НЖ
- Вакуумная упаковка продуктов
- Обезвоживание и сушка материалов
- Откачка паров и газов в химическом производстве
- Создание вакуума в системах управления и автоматизации
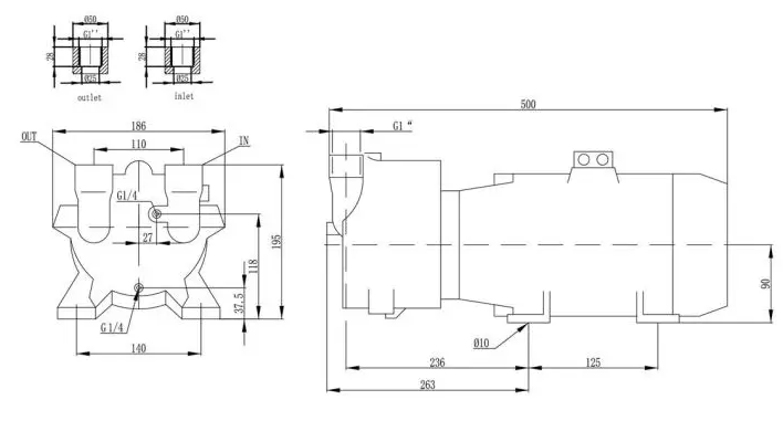
Габаритные размеры ВВН-50-АМ-НЖ

Технические характеристики ВВН-50-АМ-НЖ
| Параметр | Значение |
| Подача | 50 м³/час |
| Размеры | 480×190×240 |
| Масса | 38 кг |
| Вход | 1″ |
| Выход | 1″ |
| Мощность | 2,2 кВт |
| Остаточное давление | 400/40 |




