Вы здесь

Взрывозащищённый нагреватель 9600 Вт ВНУ-1600В1.ЖD.6Т.Ф 

  • Регулятор: Встроенный цифровой регулятор или без регулятора Степень защиты: IP67
  • Серия: для подогрева жидкости
  • Мощность: 9600 Вт
  • Регулятор: Термоограничитель встроенный ― ограничение температуры нагрева "жала". Цифровой регулятор УВТР-10А.3Ф для автоматического контроля температуры жидкости и нагревательных элементов ― по заявке.
  • длина нагревательного элемента до 600мм
  • Степень защиты: IP67
  • 6 нагревательных элементов мощностью 1600 Вт каждый

Преимущества

Рабочее положение- полностью погруженное в нагреваемую среду готовы к подключению высочайшая эффективность за счет большой площади теплопередачи.

Применение

  • Подогрев жидкостей в емкостях (масло, вода, нефть, топливо и т.д.)
  • Защита от замерзания
  • Поддержание температурного режима

Описание

Используется для подогрева жидкостей во взрывоопасных зонах. Большая площадь теплоотдачи позволяет эффективно нагревать жидкость, не превышая максимально установленной температуры. Встроенный регулятор контролирует и температуру жидкости, и температуру поверхности, поэтому в случае падения уровня жидкости нагреватель будет отключен. Крепление фланцевое.

Маркировка взрывозащиты 1ExdIICT3 (Т6)
Сертификат соответствия RU C-RU.ГБ06.В.00092
Степень защиты IP67
Классы взрывоопасных зон В-1а, В-1г
Категории взрывоопасных смесей IIA, IIB, IIC
Температура окружающей среды -60 +50 °C
Мощность 9600 Вт
Номинальное напряжение 380V/480V/600V
Срок эксплуатации 7 лет
Климатическое исполнение УХЛ 2.1

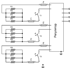
Схема электрическая принципиальная:

Взрывозащищённый нагреватель 9600 Вт ВНУ-1600В1.ЖD.6Т.Ф

Опции:

  • возможно изменение параметров длины погруженной части, мощности.
  • выбор длины питающего кабеля от 1 до 20 м
  • / 380V/480/600 (c "нулём"/ без "нуля"

Регулятор температуры УВТР-10А-3ф

Терморегулятор поддерживает работу двух датчиков («тело» и «среда»).

Возможность управления и максимальной температурой нагрева оборудования и температурой нагреваемой среды.

Маркировка взрывозащиты

2Exemb[ic]IICT5

Сертификат соответствия

ТС RU C-RU.ГБ06.В.00077

Разрешение на применение

по 11.09.2018г.

Степень защиты

IP65

Классы взрывоопасных зон

В-1а, В-1г

Категории взрывоопасных смесей

IIA, IIB, IIC

Температура окружающей среды

-50 +125°С

Срок эксплуатации

7 лет

Климатическое исполнение

УХЛ 2.1

Потребляемая мощность

не более 15 Вт

Ток нагрузки

в соответствии с мощностью нагрузки

Цепи измерения

искробезопасные

Срок работы

10 лет

Масса

5 кг

Преимущества

  • Поддержка температуры двух датчиков («среда» и «тело»)
  • Точная настройка непосредственно на объекте
  • Индикация текущей температуры и настроек
  • Большой срок эксплуатации
  • Диапазон регулировки температуры от -50°С до +130°С. Диапозон регулировки дифференциала (гистерезис) от 1°С

Применение

Цифровой регулятор температуры, встраиваемый в цепь питания нагревателя, регулирует температуру поверхности нагревателей и воздуха в защитном кожухе или шкафу. Применяется со всеми выпускаемыми нагревателями. Может применяться с нагревателями сторонних производителей, или греющим кабелем. Поддерживает температуру до трех датчиков одновременно.

Описание

Регулятор автоматически отключает питание нагревателя при достижении заданной температуры окружающей среды или поверхности нагревателя. При понижении температуры ниже заданной, питание восстанавливается. На регуляторе предусмотрена индикация текущей температуры, гистерезиса и состояния нагрузки. Установки: температура отключения , гистерезис. Датчик расположен внутри корпуса, или выводится на жгуте длиной до 2 метров. Длина кабеля по умолчанию ― 0,5 м (нагрузка), 1,5 м (питание). По требованию длины могут быть изменены.

Возможен вариант исполнения схемы работы терморегулятора по приципу "сухой контакт" – в этом случае все данные с датчиков будут направляться на внешний пульт управления

Назад к списку