Вы здесь

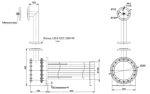
Взрывозащищённый нагреватель ВНУ-300В1.Ж.12Т.П 

  • ВНУ-300В1.Ж.12Т.П
  • Серия: для подогрева жидкости
  • Мощность: 3600Вт
  • Регулятор: Встроенный цифровой регулятор или без регулятора
  • Степень защиты: IP67

Преимущества

  • Рабочее положение- полностью погруженное в нагреваемую среду;
  • Высочайшая эффективность за счет большой площади теплопередачи.

Применение

  • Подогрев жидкостей в емкостях (масло, вода, нефть, топливо и т.д.)
  • Защита от замерзания
  • Поддержание температурного режима

Описание

Используется для подогрева жидкостей во взрывоопасных зонах. Большая площадь теплоотдачи позволяет эффективно нагревать жидкость, не превышая максимально установленной температуры. Встроенный регулятор контролирует и температуру жидкости, и температуру поверхности, поэтому в случае падения уровня жидкости нагреватель будет отключен. Крепление на кронштейнах, с питанием по штанге.

Маркировка взрывозащиты 2Exmb[ic]IICT3 X
Сертификат соответствия РОСС RU.ГБ06.В00894
Разрешение на применение РРС 00-042573
Степень защиты IP67
Классы взрывоопасных зон В-1а, В-1г
Категории взрывоопасных смесей IIA, IIB, IIC
Температура окружающей среды -60 +50 °C
Мощность 3600Вт
Номинальное напряжение 220V / 380V /480V /600V AC
Срок эксплуатации 7 лет
Климатическое исполнение УХЛ 2.1

Взрывозащищённый нагреватель ВНУ-300В1.Ж.12Т.П

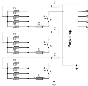
Схема электрическая принципиальная:

Взрывозащищённый нагреватель ВНУ-300В1.Ж.12Т.П

Назад к списку