Вы здесь
Обогреватель взрывозащищенный РИЗУР-ОША-Р
Обогреватель взрывозащищенный РИЗУР-ОША-Р предназначен для использования преимущественно в нефтяной и газовой промышленности во взрывоопасных зонах помещений и наружных установок классов В-1а и В-1г, для обогрева шкафов и блоков с контрольно-измерительной аппаратурой и оборудованием, требующим положительной температуры для нормального функционирования.
Обогреватели могут использоваться для подогрева нефти в зимний период на выходе из устья скважин, а также для местного обогрева различных замерзающих участков технологических трубопроводов, например, в местах размещения вентилей, задвижек и т.п., применяемых в топливно-энергетических комплексах, нефтяной, газовой, химической и других отраслях промышленности.
Обогреватель cостоит из радиатора - двух пластин из алюминиевого сплава с порошково-полимерным покрытием между которыми располагается электронагревательный элемент.
Обогреватель взрывозащищенный РИЗУР-ОША-Р применяются
- добыча и транспортировка нефти;
- добыча и транспортировка газа;
- нефтеперерабатывающие заводы;
- химические заводы;
- черная и цветная металлургия;
- целлюлозно-бумажная промышленность;
- пищевая промышленность;
- обогатительные фабрики;
- энергетика (ТЭЦ, ГЭС, ГРЭС, котельное хозяйство);
- водоснабжение;
- канализация;
- утилизация отходов;
- морской и речной транспорт;
- горнодобывающая промышленность;
- бытовое применение.
Технические характеристики обогревателя взрывозащищенного РИЗУР-ОША-Р
Зона установки | общепромышленные объекты, взрывоопасные зоны В-1а и В-1г по ПУЭ |
Маркировка взрывозащиты | 1Ex mb IIC T6… T3 Gb X |
Мощность нагревательного элемента | от 40 до 2000 Вт |
Напряжение питания | 220 (±15%) В |
Температура на поверхности обогревателя | +90…+100°C (для исполнений F, FT) -30…+90°C, шаг 1°C (для исполнений S, ST, SR, AR) |
Поддерживаемая температура в боксе | +10…+20°C (для исполнений F, FT) -40…+50°C, шаг 1°C (для исполнений S, ST, SR, AR) |
Степень защиты обогревателя | IP54 по ГОСТ 14254-96 IP66, IP67 (по согласованию с изготовителем) по ГОСТ 14254-96 |
Электрическая прочность изоляции | не менее 1500 В |
Сопротивление изоляции | не менее 20 Мом |
По способу защиты человека от поражения электрическим током | класс 1 по ГОСТ 12.2.007.0 |
Сигнализация достижения предельных значений температуры | релейный, "сухой" контакт, перекидной (для исполнений SR, AR) |
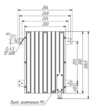
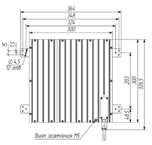
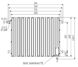
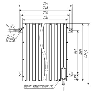
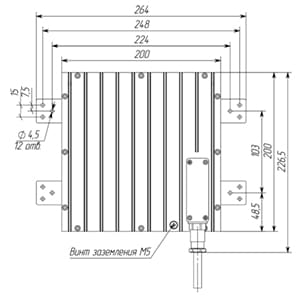
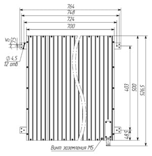
Габаритные и присоединительные размеры обогревателя взрывозащищенного РИЗУР-ОША-Р
ОША-Р-1
ОША-Р-2
ОША-Р-3
ОША-Р-4
ОША-Р-10
ОША-Р-15
ОША-Р-20
Монтаж на вертикальную плоскость | |||
Модель | Размер, мм | ||
А | В | С | |
ОША-Р-1 | 218…226 (248) | -(-) | 44 (15) |
ОША-Р-2 | 218…226 (248) | -103 | 44 (15) |
ОША-Р-3 | 218…226 (248) | -203 | 44 (15) |
ОША-Р-4 | 318…326 (348) | -204 | 44 (15) |
ОША-Р-10 | 518…526 (548) | 345 (303) | 44 (15) |
ОША-Р-15 | 718…726 (748) | 346 (303) | 44 (15) |
ОША-Р-20 | 718…726 (748) | 445 (403) | 44 (15) |
Модель | Ном. мощность, Вт | Сопр. цепи нагр. элемента, Ом | Габаритны размеры, мм | Диаметр обогреваемой трубы, мм | Масса, кг |
РИЗУР-ОША-Р-1 | 100 | 478±10% | 200х100х45 | - | 0,67 |
РИЗУР-ОША-Р-2 | 200 | 241±10% | 200х200х45 | - | 1,24 |
РИЗУР-ОША-Р-3 | 300 | 161±10% | 300х200х45 | - | 1,78 |
РИЗУР-ОША-Р-4 | 400 | 121±10% | 300х300х45 | - | 2,7 |
РИЗУР-ОША-Р-10 | 1000 | 48±10% | 500х400х45 | - | 5,75 |
РИЗУР-ОША-Р-15 | 1500 | 32±10% | 700х400х45 | - | 8,33 |
РИЗУР-ОША-Р-20 | 2000 | 24±10% | 700х500х45 | - | 10,77 |