Вы здесь
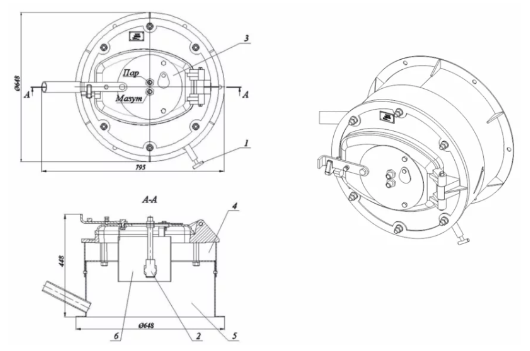
Устройство топочное 19-01-06-000-1
Устройство топочное 19-01-06-000-1 предназначено для распыла и сжигания жидкого топлива, такого как мазут или сырая нефть, в топках котлоагрегатов малой мощности до 1 МВт.
В данном устройстве жидкое топливо подается через нижнюю трубу к форсунке, а пар поступает через верхнюю трубу к паровой щели форсунки при давлении 0,4 МПа.
Паровая струя захватывает вытекающее из форсунки топливо и распыляет его в топке за пределами устройства.
Регулировка расхода топлива осуществляется изменением открытия вентиля на топливной линии, что позволяет усиливать или ослаблять процесс горения в топке.
Подача пара также может быть отрегулирована путем изменения размера паровой щели или поворотом вентиля на паровой линии.
Габаритные размеры 19-01-06-000-1
- Винт нажимной;
- Форсунка паровая щелевая;
- Крышка;
- Задвижка;
- Обечайка заслонки;
- Кольцо внутреннее.
Технические характеристики 19-01-06-000-1
Наименование параметров | Величина |
Ширина паровой щели не более, мм | 0,65-1 |
Расход пара на 1 кг мазута (сырой нефти), кг | 0,3-0,5 |
Расход топлива, кг/час | 98 |
Коэффициент рабочего регулирования не менее | 3 |
Номинальное разрежение в камере горения, Па | 40±20 |
Давление топлива перед форсункой, МПа (кгс/см2) | 0,05 |
0,5 | |
Давление пара перед форсункой, МПа (кгс/см2) | 0,3-0,4 |
3-4 | |
Габаритные размеры, не более ,мм -длина -ширина -высота |
760 648 540 |
Масса, не более, кг | 73,22 |
Топливо | Мазут ГОСТ 10585 Сырая нефть. Дизельное топливо |