Вы здесь
Тепловые завесы Kalashnikov KVC-B с водяным нагревом
Воздушные завесы Kalashnikov KVC-B с высотой установки до 2,5 м и водяным нагревом устанавливаются:
- в общественных зданиях;
- офисах;
- магазинах;
- торгово-развлекательных центрах;
- бизнес-центрах;
- автосервисах.
Основные характеристики Kalashnikov KVC-B с водяным нагревом
- Класс исполнения: IP21;
- Класс электрозащиты: I;
- Монтаж: горизонтальный и вертикальный;
- Низкий уровень шума за счёт новой геометрии и технологии изготовления корпуса, колеса PUNKER, индивидуально разработанной решетки;
- Управление с помощью универсального пульта управления KRC-32;
- Системы защиты и безопасность: все завесы оборудованы раздельными контурами защиты от перегрева на ТЭНах и в двигателе, что обеспечивает обдув и отведение тепла даже при перегревах пространства рабочей камеры;
- В комплект управления: пульт управления, монтажные кронштейны, руководство по установке и эксплуатации;
- Возможно применение концевых выключателей, датчиков присутствия, движения, температуры.
Модельный ряд Kalashnikov KVC-B с водяным нагревом

Технические характеристики Kalashnikov KVC-B с водяным нагревом

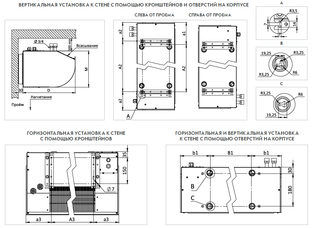
Габаритные и присоединительные размеры Kalashnikov KVC-B с водяным нагревом





