Вы здесь
Тепловые завесы Frico ADR
Тепловая завеса Frico предназначается для скрытой установки. Прекрасно подойдет для монтажа над подвесным потолком, таким образом, что видимыми элементами являются только решетки забора и выхода воздуха.
Завесы ADR могут устанавливаться в проемы высотой до 3,5 метров, что говорит о большом импульсе потока воздуха на выходе. Они прекрасно осуществляют разделение наружного воздуха и воздуха внутри помещения. Использование тепловых завес серии ADR – верный способ уменьшения потерь тепла при открывании и закрывании дверей.
Модель снята с производства. Обратитесь к менеджеру для подбора аналога.
Нагреватели завес ADR- электрические. Использование нагревателей в конструкции тепловых завес позволяет усилить защиту проемов от выхода теплого воздуха из помещения и использовать завесу как дополнительный источник обогрева помещения. Кроме того, обогреватель позволяет быстрее высушить влагу, которая образуется при таянии снега, который попадает внутрь в зимнее время.
- Есть возможность скрытой установки за фальш-потолком;
- Оснащена устойчивым к коррозии стальным корпусом, при окраске которого применен метод порошкового напыления;
- Проста в установке. Есть возможность смонтировать на металлических стержнях или на гибкой подвеске прямо к потолку, для чего в верхней части корпуса есть специальные втулки с резьбой;
- Мелкоячеистая решетка забора воздуха выполняет доп. функцию фильтра;
- Сами решетки забора и выхода воздуха могут быть установлены на требуемом расстоянии от завесы, благодаря телескопическому креплению;
- Подвижные регулируемые направляющие позволяют устанавливать угол выхода воздуха.
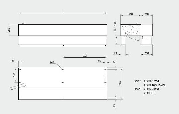
Габаритные размеры тепловой завесы Frico ADR
Характеристики тепловой завесы Frico ADR
Параметр | Модель | |||||
Frico ADR210E | Frico ADR215E | Frico ADR220E | Frico ADR310E | Frico ADR315E | Frico ADR320E | |
Тип монтажа | Горизонтальный | Горизонтальный | Горизонтальный | Горизонтальный | Горизонтальный | Горизонтальный |
Тип | Электрическая | Электрическая | Электрическая | Электрическая | Электрическая | Электрическая |
Обогрев | С обогревом | С обогревом | С обогревом | С обогревом | С обогревом | С обогревом |
Высота монтажа, метр | до 3,5 | до 3,5 | до 3,5 | до 3,5 | до 3,5 | до 3,5 |
Ширина, мм | 2000 | 1500 | 2000 | 1000 | 1500 | 2000 |
Режимы мощности, кВт | 0/12/18 | 0/8/12 | 0/12/18 | 0/6/9 | 0/8/12 | 0/12/18 |
Расход воздуха при max скорости, м3/ч | 3500 | 2100 | 2700 | 1900 | 2500 | 3500 |
Расход воздуха при min скорости, м3/ч | 1750 | 1050 | 1350 | 950 | 1250 | 1750 |
Количество ступеней скоростей | 3 | 3 | 3 | 3 | 3 | 3 |
Уровень шума, дБ | 45/62 | 43/60 | 44/60 | 44/61 | 43/60 | 45/62 |
Мощность двигателя, Вт | 880 | 520 | 680 | 500 | 520 | 880 |
Сила тока (нагревающие элементы), А | 26/17,3 | 17,5/11,5 | 26/17,3 | 13/8,7 | 17,5/11,5 | 26/17,3 |
Максимальная частота вращения вентилятора, об/мин. | 1150 | 1150 | 1150 | 1150 | 1150 | 1150 |
Напряжение (двигатель), В | 220 | 220 | 220 | 220 | 220 | 220 |
Сила тока (двигатель), А | 3,9 | 2,3 | 3,1 | 2,2 | 2,3 | 3,9 |
Напряжение (нагрев. элементы), В | 380 | 380 | 380 | 380 | 380 | 380 |
Мощность, кВт | 18 | 12 | 18 | 9 | 12 | 18 |
Повышение темп. при max мощности, max/min расход, C | 15/31 | 17/33 | 19/39 | 14/28 | 14/29 | 15/31 |
Класс защиты, IP | IP23 | IP23 | IP23 | IP23 | IP23 | IP23 |
Сертификация | ГОСТ | ГОСТ | ГОСТ | ГОСТ | ГОСТ | ГОСТ |
Стандарт | CE | CE | CE | CE | CE | CE |
Длина/Высота/Глубина, мм | 2000x260x720 | 1500x260x720 | 2000x260x720 | 1000x260x720 | 1500x260x720 | 2000x260x720 |
Гарантия, лет | 3 года | 3 года | 3 года | 3 года | 3 года | 3 года |
Вес, кг | 81 | 56 | 77 | 44 | 56 | 81 |
Производитель | Швеция, Frico | Швеция, Frico | Швеция, Frico | Швеция, Frico | Швеция, Frico | Швеция, Frico |
Класс защиты тепловой завеса Frico ADR
Первая цифра указывает на класс защиты корпуса от проникновения людей, предметов, или других объектов внутрь.
Первая цифра IP-кода |
Защита от предметов имеющих диаметр(мм) |
Пояснение |
0 | Нет защиты | Защита отсутствует |
1 | Больше 50 | Защита от больших тел, от сознательного контакта не защищено |
2 | Больше 12,5 | Защита от пальцев и других схожих предметов |
3 | Больше 2,5 | Защита от кабелей, инструментов, других достаточно крупных объектов |
4 | Больше 1 | Защита от болтов, шпилек, тонких объектов, тонких инструментов и проводов |
5 | Пылезащищенное | Небольшое количество пыли может проникнуть внутрь, но это не скажется на работе устройства. Полная защита от любых внешних контактов |
6 | Пыленепроницаемое | Полностью исключено попадание пыли. Полностью исключен внешний контакт. |
Вторая цифра указывает на класс защиты оборудования от воды, которую обеспечивает оболочка.
Вторая цифра IP-кода |
Защищает от |
Пояснение |
0 | Нет защиты | Защита отсутствует |
1 | Капли падают вертикально | Вода, капающая вертикально не может препятствовать работе устройства |
2 | Капли воды падают вертикально под углом 15o | Вода, капающая вертикально не может препятствовать работе устройства, если его наклонить под углом 15o |
3 | На устройство падают брызги | Устройство защищено от дождя. Вода может литься вертикально, или под углом до 60o по отношению к вертикали |
4 | Защита от брызг | На устройство попадают брызги в любом направлении, это не сказывается на его работоспособности |
5 | Защита от водяной струи | На работе устройства не отражается попадание водяных струй, с любого направления |
6 | Попадание морской воды | Защита от сильных водяных струй или морской волны. На работе устройства не сказывается попавшая внутрь корпуса вода |
7 | Кратковременное погружение на глубину до одного метра | Количество попавшей воды, во время погружения, не сказывается на работе устройства. Непрерывная работа в погруженном состоянии невозможна |
8 | Продолжительное погружение на глубину более одного метра | Устройство работает в погруженном режиме. Абсолютная водонепроницаемость |