Вы здесь
Тепловые завесы PAECS
Завесы серии РАЕСS способны создать эффективную преграду перетечкам воздуха на границе зон с разной температурой.
Плавное изменение расхода воздуха как при открытой, так и закрытой двери позволяет более точно выставлять его требуемое значение, что позволяет оптимизировать эффект защиты при минимальном собственном энергопортеблении.
Mонтаж тепловых завес РАЕСS
Серия РАЕСS подойдет для установки на проемах холодных складов и морозильных камер, а также для дверей кондиционируемых помещений. Рекомендуемая высота установки для проемов морозильных камер: до 4 м.
Воздушная завеса устанавливается горизонтально с нижним расположением решетки выдува и как можно ближе к дверному проему. В случае установки над дверями морозильных камер их следует располагать с «теплой» стороны. Стержни с резьбой, профили и скобы для подвески поставляются как принадлежности.
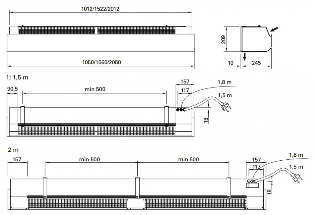
Подключение тепловых завес РАЕСS
Электроподключение завесы производится при помощи кабеля длиной 1,5м с вилкой. Изготавливается с выведенными проводами управления для легкого подключения внешнего управления. Внимание! До подключения электропитания к завесе необходимо подсоединить к ней дверной контакт.
Технические характеристики тепловых завес РАЕСS
Модель | Мощность | Расход воздуха |
Мощность звука*1 |
Звуковое давление*2 |
Сила тока, двигатель*3 |
Длина | Вес | |
[kW] | [m3/h] | [dB(A)] | [dB(A)] | [A] | [mm] | [kg] | ||
PAECS10 | 0 | 1450 | 77 | 44/62 | 0,14/0,79 | 1050 | 15 | |
PAECS15 | 0 | 2200 | 78 | 45/62 | 0,20/1,17 | 1560 | 20 | |
PAECS20 | 0 | 3100 | 83 | 51/67 | 0,40/2,04 | 2050 | 30 |
*1) Мощность звука (LWA) измерена в соответствии с ISO 27327-2: 2014, Тип установки E.
*2) Звуковое давление (LpA). Условия: Расстояние до прибора 5 метров. Фактор направленности 2. Эквивалентная площадь звукопоглощения 200 м2. Для 50% и 100% величины воздушного потока.
*3) Для 50% и 100% величины воздушного потока.