Вы здесь
Нагреватель водяной НВ для круглых систем вентиляции
Нагреватель водяной НВ предназначен для эффективного нагрева воздуха в системах вентиляции с круглыми воздуховодами. Оборудование широко применяется в приточных и приточно-вытяжных установках, обеспечивая поддержание комфортной температуры воздуха в жилых, коммерческих и производственных помещениях. Надёжная конструкция и стабильные рабочие параметры позволяют использовать нагреватель в различных климатических условиях.
Технические параметры и модельный ряд
Диапазон расхода воздуха составляет от 100 до 1600 м³/ч, что делает возможным подбор оптимальной модели под конкретную производительность системы. Линейка нагревателей представлена шестью типоразмерами с диаметрами от 100 до 315 мм. Максимальное гидравлическое давление достигает 1,2 МПа, а допустимая температура теплоносителя — до 150 °C. Климатическое исполнение У обеспечивает эксплуатацию оборудования при температуре окружающей среды от −40 до +45 °C.
Эксплуатационные требования и качество теплоносителя
Для стабильной и долговечной работы нагревателя необходимо соблюдать требования к качеству воды. Теплоноситель не должен содержать твёрдых примесей и агрессивных химических веществ, способных вызвать коррозию или химическое разрушение меди, латуни, нержавеющей стали, цинка, пластмасс, резины и чугуна. Соблюдение данных требований позволяет сохранить эффективность теплообмена и продлить срок службы оборудования.
Во избежание замораживания теплообменника рекомендуется использовать системы автоматического поддержания расхода теплоносителя и устанавливать датчики защиты от замерзания. Это повышает надёжность эксплуатации и снижает риск аварийных ситуаций в холодный период.
Основные характеристики нагревателя НВ
- Назначение — нагрев воздуха в круглых воздуховодах
- Диапазон расхода воздуха — от 100 до 1600 м³/ч
- Количество типоразмеров — 6 (диаметры от 100 до 315 мм)
- Максимальное гидравлическое давление — до 1,2 МПа
- Максимальная температура теплоносителя — до 150 °C
- Климатическое исполнение — У (от −40 до +45 °C)
Преимущества применения
- Высокая надёжность конструкции и стабильность рабочих параметров
- Широкий диапазон расходов воздуха для точного подбора под систему
- Универсальность применения в различных типах помещений
- Устойчивость к перепадам температур и суровым климатическим условиям
- Продление срока службы за счёт соблюдения требований к качеству теплоносителя
- Повышенная безопасность эксплуатации при использовании защиты от замерзания
- Удобство интеграции в существующие вентиляционные системы
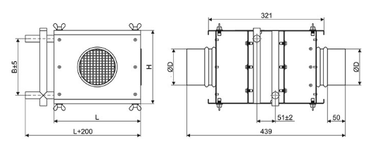
Габаритные размеры НВ

| Модель | L | H | B | D |
| НВ-100/2 | 240 | 203 | 157 | 100 |
| НВ-125/2 | 240 | 203 | 157 | 125 |
| НВ-160/2 | 240 | 203 | 157 | 160 |
| НВ-200/2 | 290 | 253 | 208 | 200 |
| НВ-250/2 | 340 | 303 | 258 | 250 |
| НВ-315/2 | 390 | 353 | 308 | 315 |
Технические характеристики НВ
| Модель | Размер сечения, мм | Шаг между пластинами, мм | Кол-во контуров | Присоед. размер, дюймы | Расход воздуха, м³/ч | Падение давления воздуха, Па | Температура воздуха, ºС | ||
| высота | длина | вход | выход | ||||||
| НВ-100/2 | 200 | 210 | 2,0 | 2 | G 3/4″ | 120 | 15 | -28 | 18 |
| НВ-125/2 | 200 | 210 | 2,0 | 2 | G 3/4″ | 250 | 27 | -28 | 18 |
| НВ-160/2 | 200 | 210 | 2,0 | 2 | G 3/4″ | 400 | 30 | -28 | 18 |
| НВ-200/2 | 225 | 235 | 2,0 | 2 | G 3/4″ | 620 | 45 | -28 | 18 |
| НВ-250/2 | 275 | 285 | 2,0 | 2 | G 1″ | 1000 | 52 | -28 | 18 |
| НВ-315/2 | 350 | 360 | 2,0 | 2 | G 1″ | 1600 | 52 | -28 | 18 |
| Модель | Теплоноситель | Температура воды, ºС | Падение давления теплоносителя кПа | Мощность, кВт | Площадь теплообмена, м2 | Расход жидкости, кг/ч | Внутренний объем, л | Масса , кг | |
| вход | выход | ||||||||
| НВ-100/2 | вода | 95 | 70 | 0,5 | 1,85 | 1,6 | 63,6 | 0,4 | 8,5 |
| НВ-125/2 | вода | 95 | 70 | 1,0 | 3,85 | 1,6 | 133 | 0,4 | 8,5 |
| НВ-160/2 | вода | 95 | 70 | 1,0 | 6,17 | 1,6 | 169 | 0,4 | 8,4 |
| НВ-200/2 | вода | 95 | 70 | 3,0 | 9,57 | 2 | 299 | 0,5 | 9,4 |
| НВ-250/2 | вода | 95 | 70 | 11 | 15,43 | 3 | 540 | 0,6 | 11,3 |
| НВ-315/2 | вода | 95 | 70 | 9,4 | 24,7 | 4,8 | 720 | 0,9 | 14,4 |
Аэродинамические характеристики

Гидравлические характеристики

Маркировка
Нагреватель НВ-160/2 где:
- НВ – обозначение нагревателя для круглых каналов;
- 160 – присоединительный диаметр для круглых воздуховодов (мм);
- 2 – количество рядов нагревателя.



