Вы здесь
Водяной нагреватель для круглых каналов ВОК
Водяной нагреватель для круглых каналов ВОК предназначен для нагрева и охлаждения воздуха в системах воздушного отопления, вентиляции и кондиционирования. Оборудование применяется в промышленных, коммерческих и общественных зданиях, обеспечивая эффективный теплообмен и стабильную работу климатических систем. Конструкция нагревателя адаптирована для встраивания в круглые воздуховоды и полностью совместима с элементами канальной вентиляции.
Конструкция и материалы
Теплообменник состоит из одного или нескольких рядов медных трубок с внешним диаметром 12 мм, оребрённых гофрированными алюминиевыми пластинами толщиной от 0,12 до 0,25 мм. Такое сочетание материалов обеспечивает высокую теплопроводность, равномерное распределение тепла и устойчивость к эксплуатационным нагрузкам. Трубки объединены в группы, концы которых впаяны в коллекторы из стальных или медных труб, через которые осуществляется подача и отвод теплоносителя или хладагента.
Конструктивные особенности и варианты подключения
Для соединения с внешней инженерной системой на коллекторах предусмотрены специальные патрубки, позволяющие выполнять сварное, резьбовое или фланцевое подключение. По согласованию с заказчиком теплообменники могут изготавливаться с размерами фронтального сечения от 200×100 мм до 3000×2000 мм, что расширяет возможности применения оборудования в проектах различной сложности.
Нагрев или охлаждение воздуха происходит при его прохождении через теплообменник и взаимодействии с медными трубками и алюминиевыми пластинами. Конструкция позволяет реализовать как прямоточную, так и противоточную схему подключения, оптимизируя теплотехнические характеристики системы в зависимости от условий эксплуатации.
Совместимость и удобство монтажа
Типоразмеры фронтальных сечений нагревателей ВОК соответствуют сечениям существующих воздуховодов, а присоединительные размеры унифицированы с элементами канальной вентиляции, такими как канальные вентиляторы и электронагреватели. Благодаря этому оборудование удобно интегрируется в действующие системы и может использоваться для замены импортных канальных воздухонагревателей без существенной доработки.
Назначение и условия эксплуатации
Пластинчатые медно-алюминиевые канальные нагреватели предназначены для нагрева и охлаждения воздуха в системах различной конструкции. Теплообменники рассчитаны на эксплуатацию в районах с умеренным и холодным климатом и соответствуют климатическому исполнению УХЛ3 по ГОСТ 15150, что обеспечивает надёжную и долговечную работу оборудования в широком диапазоне температур.
Преимущества водяных нагревателей ВОК
- Эффективный теплообмен за счёт медно-алюминиевой конструкции
- Возможность работы как на нагрев, так и на охлаждение воздуха
- Широкий диапазон типоразмеров и индивидуальное изготовление под проект
- Различные варианты подключения (сварное, резьбовое, фланцевое)
- Полная совместимость с элементами канальной вентиляции
- Удобная интеграция и замена импортных аналогов
- Надёжная эксплуатация в условиях умеренного и холодного климата
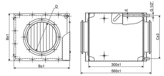
Габаритные размеры ВОК

| Модель | D | A | B | C | d |
| ВОК 160 | 160 | 300 | 253 | 225 | 12 |
| ВОК 200 | 200 | 300 | 253 | 225 | 12 |
| ВОК 250 | 250 | 385 | 328 | 275 | 12 |
| ВОК 315 | 315 | 460 | 403 | 350 | 18 |
| ВОК 400 | 400 | 534 | 479 | 425 | 18 |
Технические характеристики ВОК
- Тн - температура воздуха перед нагревателем, ºС
- Тк - температура воздуха после нагревателя, ºС
- Тжк - температура воды после нагревателя, ºС
- G - расход воды, кг/ч
- Q - мощность, кВт
ВОК 160
| Расход воздуха, м3/час | 400 | 250 | 150 | ||||||||||
| Параметры | Тн | Тк | Тжк | G | Q | Тн | Тжк | G | Q | Тн | Тжк | G | Q |
| Температура воды, ºС | |||||||||||||
| 120 | -35 | 20 | 73,3 | 135 | 7,1 | 20 | 59,5 | 65 | 5,1 | 20 | 51,8 | 35 | 2,8 |
| -30 | 20 | 68,4 | 111 | 7 | 20 | 56,9 | 57 | 4,1 | 20 | 50,4 | 31 | 2,5 | |
| -25 | 20 | 63,9 | 92 | 6,2 | 20 | 54 | 49 | 4 | 20 | 50 | 28 | 2,3 | |
| -20 | 20 | 59,6 | 76 | 5 | 20 | 51,2 | 42 | 3 | 20 | 49,9 | 25 | 2 | |
| 95 | -35 | 20 | 74,2 | 304 | 7,1 | 20 | 60,9 | 116 | 5,2 | 20 | 51,1 | 54 | 2,8 |
| -30 | 20 | 69,5 | 225 | 7 | 20 | 57,8 | 97 | 4,1 | 20 | 49,8 | 48 | 2,5 | |
| -25 | 20 | 65,1 | 173 | 6,2 | 20 | 54,5 | 80 | 4 | 20 | 48,4 | 42 | 2,3 | |
| -20 | 20 | 60,4 | 133 | 5 | 20 | 51,5 | 66 | 3 | 20 | 47 | 36 | 2 | |
| 80 | -35 | 17,9 | 69,8 | 600 | 7,2 | 20 | 61,1 | 210 | 5,1 | 20 | 51 | 82 | 2,8 |
| -30 | 20 | 69,1 | 530 | 7 | 20 | 57,9 | 163 | 4,1 | 20 | 49,1 | 70 | 2,5 | |
| -25 | 20 | 64,8 | 340 | 6,4 | 20 | 54,5 | 127 | 4 | 20 | 47 | 59 | 2,3 | |
| -20 | 20 | 60,4 | 235 | 5,3 | 20 | 51,4 | 101 | 3 | 20 | 45,4 | 50 | 2 | |
| 0 | 22 | 47,4 | 78 | 3 | 22 | 44,2 | 44 | 2,1 | 22 | 40,3 | 24 | 1,1 | |
| 10 | 22 | 42,8 | 37 | 2 | 22 | 36,5 | 20 | 1,1 | 22 | 26,5 | 10 | 0,6 | |
| 15 | 22 | 34,4 | 18 | 1 | 22 | 25,1 | 9 | 1 | 20 | 20,2 | 5 | 0 | |
| 60 | -35 | 8,4 | 51,7 | 600 | 6,1 | 16 | 53,9 | 600 | 4,1 | 20 | 50,3 | 245 | 3,7 |
| -30 | 11,1 | 52,1 | 600 | 6 | 18,4 | 54,2 | 600 | 4 | 20 | 48 | 180 | 3,5 | |
| -25 | 13,8 | 52,5 | 600 | 5,4 | 20 | 53,5 | 500 | 4 | 20 | 45,8 | 137 | 2,3 | |
| -20 | 16,5 | 53 | 600 | 5 | 20 | 50,4 | 300 | 3,1 | 20 | 43,5 | 150 | 2 | |
| 0 | 22 | 45,7 | 177 | 3,1 | 22 | 54,1 | 270 | 2,2 | 22 | 39,4 | 46 | 1,2 | |
| 10 | 22 | 38,9 | 66 | 2 | 22 | 50,6 | 92 | 1,1 | 22 | 40,8 | 27 | 1 | |
| 15 | 22 | 37,6 | 36 | 1 | 22 | 39,7 | 25 | 1 | 22 | 29,6 | 10 | 0 | |
ВОК 200
| Расход воздуха, м3/час | 600 | 400 | 250 | ||||||||||
| Параметры | Тн | Тк | Тжк | G | Q | Тн | Тжк | G | Q | Тн | Тжк | G | Q |
| Температура воды, ºС | |||||||||||||
| 120 | -35 | 20 | 88,9 | 303 | 11,1 | 20 | 73,3 | 135 | 7,1 | 20 | 59,5 | 65 | 5,1 |
| -30 | 20 | 82,7 | 230 | 10,1 | 20 | 68,4 | 111 | 7 | 20 | 56,9 | 57 | 4,1 | |
| -25 | 20 | 76,6 | 178 | 9 | 20 | 63,9 | 92 | 6,2 | 20 | 54 | 49 | 4 | |
| -20 | 20 | 70,6 | 139 | 8 | 20 | 59,6 | 76 | 5 | 20 | 51,2 | 42 | 3 | |
| 95 | -35 | 16,1 | 80,3 | 600 | 10,2 | 20 | 74,2 | 304 | 7,1 | 20 | 60,9 | 116 | 5,2 |
| -30 | 19,1 | 80,9 | 600 | 10 | 20 | 69,5 | 225 | 7 | 20 | 57,8 | 97 | 4,1 | |
| -25 | 20 | 77 | 430 | 9,1 | 20 | 65,1 | 173 | 6,2 | 20 | 54,5 | 80 | 4 | |
| -20 | 20 | 71,2 | 290 | 8 | 20 | 60,4 | 133 | 5 | 20 | 51,5 | 66 | 3 | |
| 80 | -35 | 10 | 67,1 | 600 | 9,1 | 17,9 | 69,8 | 600 | 7,2 | 20 | 61,1 | 210 | 5,1 |
| -30 | 13 | 67,6 | 600 | 9 | 20 | 69,1 | 530 | 7 | 20 | 57,9 | 163 | 4,1 | |
| -25 | 16,1 | 68,2 | 600 | 8,2 | 20 | 64,8 | 340 | 6,4 | 20 | 54,5 | 127 | 4 | |
| -20 | 19,1 | 68,7 | 600 | 8 | 20 | 60,4 | 235 | 5,3 | 20 | 51,4 | 101 | 3 | |
| 0 | 22 | 52,5 | 138 | 4,1 | 22 | 47,4 | 78 | 3 | 22 | 44,2 | 44 | 2,1 | |
| 10 | 22 | 43,4 | 57 | 2 | 22 | 42,8 | 37 | 2 | 22 | 36,5 | 20 | 1,1 | |
| 15 | 22 | 42,6 | 33 | 1 | 22 | 64,4 | 18 | 1 | 22 | 25,1 | 9 | 1 | |
| 60 | -35 | 1,8 | 49,4 | 600 | 7,4 | 8,4 | 51,7 | 600 | 6,1 | 16 | 53,9 | 600 | 4,1 |
| -30 | 4,8 | 50 | 600 | 7 | 11,1 | 52,1 | 600 | 6 | 18,4 | 54,2 | 600 | 4 | |
| -25 | 7,9 | 50,5 | 600 | 7 | 13,8 | 52,5 | 600 | 5,4 | 20 | 53,5 | 500 | 4 | |
| -20 | 11 | 51,1 | 600 | 6,2 | 16,5 | 53 | 600 | 5 | 20 | 50,4 | 300 | 3,1 | |
| 0 | 22 | 50,9 | 420 | 4,1 | 22 | 45,7 | 177 | 3,1 | 22 | 54,1 | 270 | 2,2 | |
| 10 | 22 | 41 | 110 | 2 | 22 | 38,9 | 66 | 2 | 22 | 50,6 | 92 | 1,1 | |
| 15 | 22 | 37,6 | 54 | 1 | 22 | 37,6 | 36 | 1 | 22 | 39,7 | 25 | 1 | |
ВОК 250
| Расход воздуха, м3/час | 800 | 600 | 400 | ||||||||||
| Параметры | Тн | Тк | Тжк | G | Q | Тн | Тжк | G | Q | Тн | Тжк | G | Q |
| Температура воды, ºС | |||||||||||||
| 120 | -35 | 20 | 71,5 | 260 | 14,7 | 20 | 60,1 | 158 | 11 | 20 | 47,4 | 87 | 7,3 |
| -30 | 20 | 65,4 | 210 | 13,4 | 20 | 55,2 | 133 | 10 | 20 | 44,2 | 76 | 7 | |
| -25 | 20 | 59,3 | 170 | 12 | 20 | 50,6 | 112 | 9,1 | 20 | 41,2 | 66 | 6,1 | |
| -20 | 20 | 53,8 | 139 | 10,7 | 20 | 45,9 | 93 | 8,2 | 20 | 38,6 | 57 | 5 | |
| 95 | -35 | 19,1 | 74,3 | 600 | 15 | 20 | 65,3 | 320 | 11 | 20 | 52,5 | 149 | 7 |
| -30 | 20 | 70,3 | 465 | 13,2 | 20 | 60,2 | 248 | 10,2 | 20 | 48,9 | 125 | 7 | |
| -25 | 20 | 64,3 | 337 | 12 | 20 | 55,2 | 195 | 9 | 20 | 45,5 | 105 | 6 | |
| -20 | 20 | 58,7 | 255 | 11,1 | 20 | 50,4 | 155 | 8 | 20 | 42 | 87 | 5 | |
| 80 | -35 | 12,7 | 61,7 | 600 | 13,2 | 18,5 | 64,6 | 600 | 11 | 20 | 55,4 | 258 | 7 |
| -30 | 15,6 | 62,5 | 600 | 12 | 20 | 62,9 | 505 | 10,1 | 20 | 51,6 | 203 | 7 | |
| -25 | 18,5 | 63,3 | 600 | 12 | 20 | 58,1 | 355 | 9,1 | 20 | 47,8 | 161 | 6 | |
| -20 | 20 | 60,8 | 600 | 11 | 20 | 52,9 | 255 | 8 | 20 | 44,2 | 129 | 5 | |
| 0 | 22 | 42,7 | 136 | 6,2 | 22 | 39 | 93 | 4,4 | 22 | 35,4 | 57 | 3 | |
| 10 | 22 | 34 | 60 | 3 | 22 | 33,3 | 44 | 2,4 | 22 | 37 | 30 | 2 | |
| 15 | 22 | 33,4 | 35 | 2 | 22 | 30,7 | 25 | 1 | 22 | 24,6 | 15 | 1 | |
| 60 | -35 | 4 | 45 | 600 | 10 | 8,8 | 47,3 | 600 | 9,2 | 15,6 | 50,3 | 600 | 7 |
| -30 | 7 | 45,8 | 600 | 10,1 | 11,5 | 48 | 600 | 8 | 18 | 50,8 | 600 | 6,2 | |
| -25 | 9,9 | 46,6 | 600 | 9 | 14,2 | 48,7 | 600 | 8 | 20 | 50,7 | 560 | 6 | |
| -20 | 12,9 | 47,4 | 600 | 9 | 16,9 | 49,3 | 600 | 7 | 20 | 47 | 355 | 5,4 | |
| 0 | 22 | 44,8 | 335 | 6 | 22 | 40,7 | 198 | 4 | 22 | 36,3 | 107 | 3 | |
| 10 | 22 | 34,7 | 110 | 3 | 22 | 33 | 77 | 2 | 22 | 32 | 49 | 2 | |
| 15 | 22 | 31,3 | 56 | 2 | 22 | 31,7 | 43 | 1 | 22 | 28,4 | 26 | 1 | |
ВОК 315
| Расход воздуха, м3/час | 600 | 1000 | 1500 | ||||||||||
| Параметры | Тн | Тк | Тжк | G | Q | Тн | Тжк | G | Q | Тн | Тжк | G | Q |
| Температура воды, ºС | |||||||||||||
| 120 | -35 | 20 | 51 | 140 | 11 | 20 | 67 | 300 | 19,2 | 20 | 83 | 650 | 28 |
| -30 | 20 | 46,9 | 118 | 10 | 20 | 61,9 | 250 | 17,4 | 20 | 76,8 | 500 | 25 | |
| -25 | 20 | 43,8 | 102 | 9 | 20 | 55,4 | 200 | 15 | 20 | 69 | 380 | 23 | |
| -20 | 20 | 41,2 | 88 | 8 | 20 | 50,4 | 165 | 13 | 20 | 62,1 | 297 | 20 | |
| 95 | -35 | 20 | 54,8 | 236 | 11 | 20 | 70,7 | 650 | 18,4 | 16,1 | 77,4 | 1250 | 25,7 |
| -30 | 20 | 50,9 | 196 | 10 | 20 | 65,4 | 485 | 16,8 | 18,9 | 77,5 | 1200 | 24,3 | |
| -25 | 20 | 47,3 | 163 | 9 | 20 | 60 | 370 | 15,1 | 20 | 73,5 | 900 | 22,6 | |
| -20 | 20 | 44,1 | 136 | 8 | 20 | 54,6 | 285 | 13,4 | 20 | 66,7 | 610 | 20 | |
| 80 | -35 | 20 | 57,4 | 420 | 11 | 17,5 | 67,4 | 1200 | 17 | 10 | 64,5 | 1250 | 23 |
| -30 | 20 | 53,4 | 325 | 10 | 20 | 67,5 | 1150 | 16,7 | 13 | 65,1 | 1250 | 21,6 | |
| -25 | 20 | 49,7 | 257 | 9 | 20 | 62,3 | 730 | 15,1 | 16,1 | 65, | 1250 | 20,6 | |
| -20 | 20 | 45,9 | 203 | 8 | 20 | 57 | 500 | 13,4 | 19,1 | 66,5 | 1250 | 19,7 | |
| 0 | 22 | 37,7 | 90 | 4,4 | 22 | 41,5 | 165 | 7,4 | 22 | 47,5 | 294 | 11,1 | |
| 10 | 22 | 32,9 | 44 | 2,4 | 22 | 36 | 79 | 4 | 22 | 36,8 | 294 | 6 | |
| 15 | 22 | 23,9 | 22 | 1,4 | 22 | 31,7 | 42 | 2,4 | 22 | 35,5 | 68 | 4 | |
| 60 | -35 | 16,2 | 52,9 | 1250 | 10,3 | 8,4 | 50,4 | 1300 | 15 | 2 | 47,7 | 1300 | 19 |
| -30 | 18,5 | 53,3 | 1250 | 10,3 | 11,1 | 50,9 | 1300 | 13,8 | 5,1 | 48,3 | 1300 | 18,1 | |
| -25 | 20 | 52,2 | 1000 | 9,1 | 13,8 | 51,4 | 1300 | 13 | 8,1 | 49 | 1300 | 17,2 | |
| -20 | 20 | 48,3 | 590 | 8 | 16,6 | 51,9 | 1300 | 12,2 | 11,2 | 49,6 | 1300 | 16 | |
| 0 | 22 | 37,6 | 170 | 4,4 | 22 | 42,9 | 370 | 7,4 | 22 | 48,9 | 860 | 11,4 | |
| 10 | 22 | 34,2 | 81 | 2,4 | 22 | 34,7 | 137 | 4 | 22 | 37 | 225 | 6,3 | |
| 15 | 22 | 27,9 | 38 | 1,4 | 22 | 33,7 | 77 | 2,4 | 22 | 33,1 | 113 | 4 | |
ВОК 400
| Расход воздуха, м3/час | 1000 | 1500 | 2200 | ||||||||||
| Параметры | Тн | Тк | Тжк | G | Q | Тн | Тжк | G | Q | Тн | Тжк | G | Q |
| Температура воды, ºС | |||||||||||||
| 120 | -35 | 20 | 51 | 270 | 19 | 20 | 64,5 | 520 | 28 | 15,3 | 69,8 | 790 | 37 |
| -30 | 20 | 46,6 | 227 | 17 | 20 | 59,8 | 430 | 25 | 18 | 50,4 | 750 | 35 | |
| -25 | 20 | 44,3 | 200 | 15 | 20 | 54,5 | 350 | 23 | 20 | 68 | 675 | 33 | |
| -20 | 20 | 41 | 170 | 14 | 20 | 51,3 | 300 | 21 | 20 | 61,4 | 520 | 29 | |
| 95 | -35 | 20 | 54,8 | 400 | 19 | 20 | 67,3 | 855 | 28 | 12,3 | 65,1 | 1000 | 35 |
| -30 | 20 | 49,3 | 315 | 10 | 20 | 62,3 | 660 | 17,2 | 15,9 | 67,3 | 1050 | 34 | |
| -25 | 20 | 45,7 | 263 | 15 | 20 | 57,2 | 515 | 23 | 18,7 | 67,4 | 1000 | 32 | |
| -20 | 20 | 42,1 | 218 | 13 | 20 | 52,1 | 403 | 20 | 20 | 64,1 | 820 | 29 | |
| 80 | -35 | 20 | 55,6 | 650 | 18 | 15,2 | 59,4 | 1050 | 25 | 7,4 | 55,6 | 1100 | 31 |
| -30 | 20 | 51,8 | 510 | 17 | 18 | 60,3 | 1050 | 24 | 10 | 56,6 | 1100 | 30 | |
| -25 | 20 | 48 | 405 | 15 | 20 | 59,5 | 950 | 23 | 13,7 | 57,7 | 1100 | 29 | |
| -20 | 20 | 44,8 | 330 | 13 | 20 | 54,4 | 675 | 20 | 16,9 | 58,8 | 1100 | 27 | |
| 0 | 22 | 36 | 150 | 8 | 22 | 39,4 | 235 | 11 | 22 | 45,3 | 400 | 16 | |
| 10 | 22 | 32,3 | 75 | 4 | 22 | 33,5 | 120 | 6 | 22 | 35,6 | 180 | 9 | |
| 15 | * | * | * | * | * | * | * | * | * | * | * | * | |
| 60 | -35 | 14 | 47,2 | 1100 | 16 | * | * | * | * | * | * | * | * |
| -30 | 16,4 | 47,8 | 1100 | 16 | * | * | * | * | * | * | * | * | |
| -25 | 18,8 | 48,5 | 1100 | 15 | 12 | 45,4 | 1100 | 19 | * | * | * | * | |
| -20 | 20 | 47,1 | 900 | 13 | 14,9 | 46,3 | 1100 | 18 | * | * | * | * | |
| 0 | 22 | 36,4 | 270 | 7 | 22 | 41,3 | 510 | 11 | 22 | 47,4 | 1100 | 16 | |
| 10 | 22 | 31,8 | 130 | 4 | 22 | 33,3 | 200 | 6 | 22 | 36,3 | 330 | 9 | |
| 15 | * | * | * | * | * | * | * | * | 22 | 30,8 | 150 | 5 | |



