Вы здесь

Агрегаты отопительные с теплоносителем пар типа АО 75-190 кВт 

Паровые отопительные агрегаты типа АО мощностью от 75 до 190 кВт предназначены для оперативного и эффективного обогрева крупных помещений промышленного, складского, сельскохозяйственного и спортивного назначения.

Использование водяного пара в качестве теплоносителя позволяет агрегатам быстро достигать рабочей температуры и обеспечивать высокую теплоотдачу.

Функциональное назначение и принцип работы

В основе работы агрегатов лежит теплообменник, в который подаётся насыщенный или перегретый пар. Проходящий через теплообменник воздушный поток нагревается за счёт теплопередачи от оребрённой поверхности труб и далее направляется в помещение при помощи осевого вентилятора. Такое решение идеально подходит для эксплуатации в условиях пониженных температур и в местах, где требуется быстрый прогрев воздуха.

Преимущества моделей АО 75–190 кВт с паром

  • Высокий уровень теплоотдачи при компактных размерах оборудования
  • Быстрый выход на рабочий режим
  • Простота конструкции и лёгкость технического обслуживания
  • Устойчивость к агрессивным факторам среды: пыль, влага, температурные колебания
  • Совместимость с паровыми котельными и другими источниками пара
  • Долговечность за счёт применения качественных материалов и защитных покрытий

Сферы применения

Оборудование данной серии используется для отопления производственных и складских помещений, ангаров, сельскохозяйственных объектов, теплиц, автомастерских, птицефабрик и других пространств, где требуется надёжный и мощный обогрев. Особенно актуально применение агрегатов там, где уже присутствует источник пароснабжения.

Конструктивные особенности

Корпус агрегатов изготавливается из оцинкованной или окрашенной стали с антикоррозийной обработкой. Теплообменник выполнен из стальных труб с алюминиевым или стальным оребрением, обеспечивающим эффективный теплообмен. Вентилятор осевого типа равномерно распределяет тёплый воздух по помещению. Возможны различные варианты установки: настенный, подвесной или напольный монтаж. По желанию заказчика агрегаты могут быть укомплектованы системой автоматики и управления.

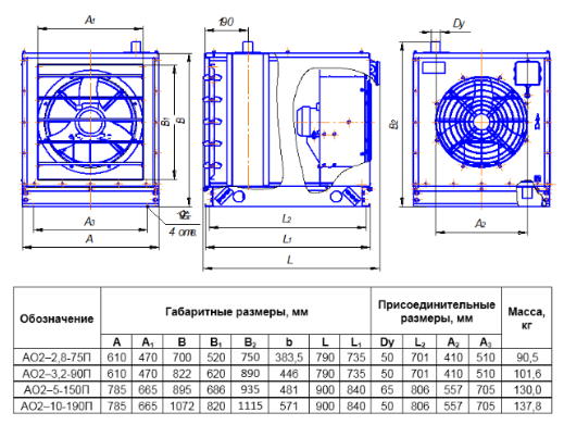
Габаритные размеры АО 75-190 кВт

Технические характеристики АО 75-190 кВт

Назад к списку