Вы здесь
Воздушно-тепловая установка ВТУ-М
Воздушно-тепловые установки ВТУ-М предназначены для нагрева и перемещения воздуха в:
- приточных камерах;
- воздушно-тепловых завесах;
- рециркуляционных установках.
Тепловые установки также используютсся для нагрева производственных и бытовых помещений.
Как и другое отопительное оборудование, установки и агрегаты обеспечиваются гарантией изготовителя и необходимыми сертификатами.
Сертификаты соответствия № РОСС RU.МГ01.В03477
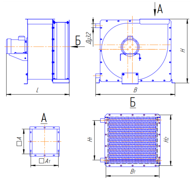
Габаритные размеры воздушно-тепловых установок ВТУ-М

| Модель | H | H1 | L | В | B1 | A | A1 | A2 |
| ВТУ-4-М1 | 640 | 474 | 596 | 780 | 810 | 696 | 270 | 300 |
| ВТУ-4-М2 | 695 | 544 | 646 | 742 | 860 | 746 | 270 | 300 |
| ВТУ-5-М2 | 885 | 714 | 816 | 920 | 1047 | 936 | 350 | 380 |
| ВТУ-6,3-М2 | 1040 | 879 | 997 | 1006 | 1259 | 1147 | 441 | 470 |
| ВТУ-8-М2 | 1294 | 1136 | 1256 | 1226 | 1547 | 1473 | 560 | 600 |
Технические характеристики воздушно-тепловых установок ВТУ-М
| Модель | Мощность установочная Ny, кВт | Частота вращения вала n, мин.-¹ | Калорифер | |
| Тип | Площадь фронтального сечения, м2 | |||
| ВТУ-4-М1 | 0,75 | 1500 | КСкс 3 | 0,35 |
| ВТУ-4-М2 | 0,55 | 1500 | КСкс 3 | 0,43 |
| ВТУ-5-М2 | 2,2 | 1500 | КСкс 4 | 0,70 |
| ВТУ-6,3-М2 | 3 | 1000 | КСкс 3 | 1,04 |
| ВТУ-8-М2 | 7,5 | 1000 | КСкс 4 | 1,73 |
| Модель | Параметры в рабочей зоне | Температура | Масса | |||
| Производительность Q, м | Давление полное Pv, Па | Теплопроизводительность, к | Воздуха на выходе, С° | Теплоносителя (вода), С° | ||
| ВТУ-4-М1 | 3400 | 350 | 70 | 28 | 70-130 | 100 |
| ВТУ-4-М2 | 2700 | 340 | 80 | 29 | 100 | |
| ВТУ-5-М2 | 5500 | 650 | 135 | 20 | 140 | |
| ВТУ-6,3-М2 | 9000 | 500 | 200 | 28 | 190 | |
| ВТУ-8-М2 | 18000 | 800 | 400 | 28 | 260 | |



