Вы здесь
Люк замерный ЛЗ
Люк замерный ЛЗ устанавливается на резервуарах с нефтью и нефтепродуктами и обеспечивает доступ к хранимому продукту с целью отбора проб или замера уровня налива в резервуаре.
Для удобного и безопасного перемещения ручных пробоотборных приспособлений и измерительного инструмента при замерных операциях в конструкции люка предусмотрена направляющая колодка из искробезопасного материала.
Люк устанавливается через прокладку на крыше вертикального или на крышке горловины горизонтального резервуара.
- Соединение — фланцевое, болтовое;
- Соединительный фланец изделия — по ГОСТ 12820-80, на условное давление (Ру) 2,5 кгс/см2.
Пример обозначения при заказе: ЛЗ-150-У
- ЛЗ — люк замерный;
- 150 — условный проход в миллиметрах;
- У — климатическое исполнение по ГОСТ 15150-69.
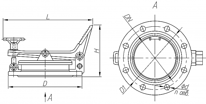
Габаритные размеры люка замерного ЛЗ
Технические характеристики люка замерного ЛЗ
Наименование параметров | ЛЗ-80 | ЛЗ-150 | |
Условный проход (диаметр горловины), DN | 80 | 150 | |
Габаритные размеры, мм: | диаметр, D | 185 | 260 |
ширина, L | 226 | 315 | |
высота, H | 190 | 246 | |
Присоединительные размеры, мм: | D1 | 150 | 225 |
d | 18 | 18 | |
n | 4 | 8 | |
Масса, кг, не более: | 2,5 | 5 |
Сведения для монтажа
Обозначение люка | Ответный фланец (ГОСТ 12820-80) | Прокладка (ГОСТ 15180-86) | Болт (ГОСТ 7798-70) | Гайка (ГОСТ 5915-70) |
ЛЗ-80 | 1-80-2,5 | А-80-2,5-ПМБ | М16-6g х50.58 | М16-6Н.5 |
ЛЗ-150 | 1-150-2,5 | А-150-2,5-ПМБ | М16-6g х55.58 | М16-6Н.5 |