Вы здесь
Муфты сливные МС
Муфты сливные МС применяются для обеспечения быстрого и герметичного соединения сливных устройств резервуаров нефтебаз и АЗС со сливными рукавами автоцистерн.
Муфты сливные изготавливаются в исполнении Т, У и УХЛ категории размещения 1 по ГОСТ 15150-69.
К сливному устройству резервуара муфты сливные присоединяются с помощью патрубка (МС-80) или переходника (МС-50).
Пример обозначения изделия:
- МС — муфта сливная;
- 80 — условный проход в миллиметрах;
- УХЛ — климатическое исполнение по ГОСТ 15150-69.
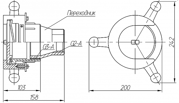
Габаритные размеры муфт сливных МС
МС-50
МС-80
Технические характеристики муфт сливных МС
Наименование параметров | МС-50 | МС-80 | |
Рабочее давление МПа (кг/см2), не более | 0,1 (1) | 0,1 (1) | |
Габаритные размеры, мм, не более: | длина | 242 | 242 |
ширина | 200 | 200 | |
высота | 103 | 158 | |
Резьба присоединительная по ГОСТ 6357-81 | G2-А | G3-А | |
Масса, кг, не более | 2,3 | 1,9 |