Вы здесь
Огнепреградитель ОП-50
Огнепреградитель ОП-50 предназначен для предотвращения попадания пламени внутрь емкостей, содержащих нефть и нефтепродукты, в случае возгорания взрывоопасных паров и газов.
Это устройство обеспечивает безопасность при эксплуатации резервуаров, предотвращая распространение огня. Огнепреградители изготавливаются на рабочее давление 0,002 МПа (2 кПа).
Принцип работы ОП-50
Действие огнепреградителя основано на интенсивном теплообмене.
Газовоздушный поток, проходя через узкие каналы огнепреграждающего элемента, охлаждается до безопасной температуры. Таким образом, предотвращается воспламенение паров и газов внутри емкости.
Конструкция ОП-50
Огнепреградитель состоит из следующих элементов:
- Огнепреграждающий элемент: выполнен из плоских и гофрированных алюминиевых лент, намотанных на ось для предотвращения выпадания.
- Корпус: изготовлен из алюминиевого сплава, состоит из двух половинок, стянутых шпильками.
- Крепление: устройство фиксируется к ответным фланцам резервуара при помощи болтов и прокладки.
Огнепреградители ОП-50 выпускаются с условным диаметром Ду50 и бывают в разборном или цельнолитом (неразборном) исполнении.
Применение ОП-50
- Устанавливаются на крыши вертикальных резервуаров под дыхательные или предохранительные клапаны.
- Запрещено использование в магистральных трубопроводах.
Условия эксплуатации огнепреградителя ОП-50:
- Температура окружающей среды: до - 60°С;
- Климатическое исполнение и категория размещения по ГОСТ 15150-69: У, УХЛ;
- Категория размещения по ГОСТ 15150-69: 5;
- Материал изделия (корпус): алюминиевый сплав;
- Материал изделия (огнепреграждающий элемент): алюминиевый сплав;
- Материал фланцев: сталь;
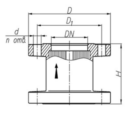
Габаритные размеры ОП-50

| Обозначение | DN | Н | D | D1 | d | n | Масса, кг |
| ОП-50 | 50 | 80 | 140 | 110 | 14 | 4 | 1 |
| ОП-50/16 | 50 | 80 | 160 | 125 | 18 | 4 | 2,1 |
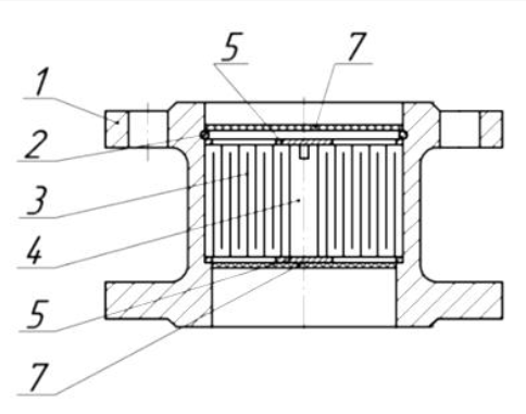
Конструкция ОП-50

Огнепреградитель ОП-50 состоит из корпуса (1) и кассеты (3). Кассета (3) состоит из плоской и гофрированной лент из алюминиевого сплава, намотанных на ось (4).
Кассета (3) устанавливается в корпусе (1) и крепится в нем ограничителями (5) и кольцом (2). Каждому типу предохранителей огневых соответствует своя кассета.
Для предохранения кассеты от засорения при транспортировке и хранении она закрывается картонными заглушками (7).
Огнепреградитель ОП-50Р в разборном корпусе

| Обозначение | DN | Dн | Н | D | D1 | d | n | Масса, кг |
| ОП-50Р | 50 | 160 | 172 | 141 | 110 | 14 | 4 | 3 |
Конструкция ОП-50Р

- Корпус;
- Огнепреграждающий элемент;
- Шпилька.
Технические характеристики ОП-50
| Номинальное давление PN, МПа | 0,002 (2 кПа); |
| Присоединение к трубопроводу | фланцевое, исполнение 1 по ГОСТ 12820-80, на условное давление (Ру) 6 кгс/см2; ответный фланец – 1-50-6; |
| Регламентирующий документ | ТУ 3689-101-10524112-2007; |
| Пропускная способность при сопротивлении воздушного потока 118 Па, м3/ч, не менее | 25 |
| Обозначение | ОП-50 |
| Время сохранения работоспособности ОП-50 при воздействии пламени | не менее 1 часа |
| Конструкция кассеты огнепреградителя сборно-разборная (для проведения регламентных и монтажных работ) | |
| Марка, обозначение | Ду | Строительная длина, мм | Масса, кг |
| Огнепреградитель ОП-50 | 50 | 80 | 1 |
| Огнепреградитель ОП-50 УХЛ | 50 | 80 | 1 |
| Огнепреградитель ОП-50 Р | 50 | 172 | 3 |
| Огнепреградитель ОП-50 (нерж.) | 50 | 80 | - |
Монтаж огнепреградителя ОП-50
- Все работы по обслуживанию и ремонту огнепреградителей ОП-50 должны проводиться с учетом «Правил технической эксплуатации металлических резервуаров и инструкции по их ремонту».
- К монтажу и обслуживанию огнепреградителя допускаются лица, изучившие настоящее руководство по эксплуатации и прошедшие инструктаж по правилам пожарной безопасности для данного объекта.
- Все работы по монтажу и демонтажу огнепреградителя ОП-50 на действующем резервуаре должны быть согласованы с пожарной охраной объекта.
- Запрещается проводить техническое обслуживание огнепреградителя при осуществлении технологических сливо-наливных операций в защищаемом резервуаре.
- При монтаже и обслуживании огнепреградителя ОП-50 необходимо пользоваться искробезопасным инструментом и приспособлениями, исключающими искрообразование.
- Огнепреградители ОП-50 устанавливаются присоединительными фланцами на ответные фланцы резервуара через прокладку и крепятся болтами.
- Присоединительные фланцы огнепреградителей ОП-50 соответствуют номинальному давлению 0,25 МПа (2,5 кг/см2) по ГОСТ 12815. По требованию возможно изготовление огнепреградителей ОП с присоединительными фланцами номинального давления 1,6 МПа (16 кг/см2).
- Принимая во внимание совпадение присоединительных размеров фланцев по ГОСТ-12815 с номинальным давлением 0,25 МПа (2,5 кг/см2) и 0,6 МПа (6 кг/см2), возможен монтаж огнепреградителей ОП на фланцы с номинальным давлением 0,6 МПа (6 кг/см2).
- Огнепреградители ОП могут изготавливаться под фланцевое соединение типа «шип-паз» или «выступ-впадина».
- Ввиду конструктивных особенностей во фланцах изделий ОП-50 выполняется паз с размерами отличными от указанных в ГОСТ. По требованию огнепреградители ОП-50 комплектуются специальными ответными фланцами.
Пример обозначения изделия при заказе ОП-50-Р-А-А-Т ТУ 3689-011-82673705-2009:
- ОП — огнепреградитель;
- 50 — условный проход в миллиметрах;
- Р — разборный корпус – применяется только в обозначении огнепреградителей с Ду 50, 80 и 100 мм с разборным корпусом; в обозначении огнепреградителей с Ду 150 — 500 мм, выпускаемых только в разборном корпусе, а также огнепреградителей с Ду 50, 80 и 100 мм с неразборным корпусом символ «Р» не применяется; например, ОП-250-А-А-Т ТУ 3689-011-82673705-2009 или ОП-50-А-А-Т ТУ 3689-011-82673705-2009;
- А — материальное исполнение корпуса - алюминиевый сплав;
- возможные варианты материала корпуса:
- С — углеродистая сталь (низколегированная для климатического исполнения УХЛ);
- Н — нержавеющая сталь;
- А — материал пламягасящего элемента - алюминий;
- возможные варианты материала пламягасящего элемента:
- Н — нержавеющая сталь;
- Т — климатическое исполнение по ГОСТ 15150-69.



