Вы здесь
Огнепреградители коммуникационные ОПК
Огнепреградители коммуникационные ОПК используются для временного предотвращения распространения пламени внутри технологических трубопроводов, транспортирующих продукты, не склонные к детонационному горению.
Основой конструкции является пламегасящий элемент кассетного типа, изготавливаемый из материалов, обладающих не только высокой теплоемкостью, но и повышенной огнестойкостью.
В аварийной ситуации, сопровождающейся взрывом внутри трубопровода, пламя распространяется с огромной скоростью. Достигая огнепреградителя коммуникационного, пламя продолжает свое движение по каналам пламегасящего элемента в направлении несгоревшего продукта.
Огнепреградители коммуникационные устанавливаются на трубопроводах. Соединение фланцевое болтовое. Соединительные фланцы изделия — по ГОСТ 12820-80, на условное давление (Ру) 16 кгс/см2. Присоединительные размеры фланцев соответствуют исполнению 1 по ГОСТ 12815-80.
По устойчивости к воздействию климатических факторов внешней среды огнепреградители коммуникационные изготавливаются в исполнении Т, У и УХЛ категории размещения 1 по ГОСТ 15150-69.
Пример обозначения изделия при заказе: ОПК-200 УХЛ
- ОПК — огнепреградитель коммуникационный;
- 200 — условный проход в миллиметрах (мм);
- УХЛ — климатическое исполнение по ГОСТ 15150-69.
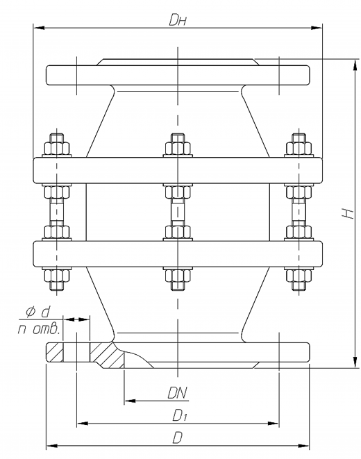
Габаритные размеры огнепреградителей коммуникационных ОПК
Технические характеристики огнепреградителей коммуникационных ОПК
Наименование параметров | ОПК -50 | ОПК -80 | ОПК -100 | ОПК -150 | ОПК -200 | ОПК -250 | ОПК -300 | ОПК -350 | ОПК -500 | |
Условный проход, DN | 50 | 80 | 100 | 150 | 200 | 250 | 300 | 350 | 500 | |
Максимальное рабочее давление, PN, МПа (кгс/см2), не более | 1,6 (16) | |||||||||
Пропускная способность при сопротивлении воздушному потоку 118 Па, м3/ч, не менее | 25 | 75 | 100 | 215 | 380 | 600 | 850 | 900 | 2950 | |
Габаритные размеры, мм, не более, | DН | 215 | 245 | 280 | 335 | 460 | 520 | 710 | 710 | 910 |
H | 300 | 347 | 380 | 430 | 490 | 575 | 630 | 737 | 820 | |
Присоединительные размеры, мм | D D1 d n | 160 125 18 4 | 195 160 18 8 | 215 180 18 8 | 280 240 22 8 | 335 295 22 12 | 405 355 26 12 | 460 410 26 12 | 520 470 26 16 | 710 650 33 20 |
Масса, кг, не более | 20 | 28 | 39 | 55 | 61 | 150 | 280 | 305 | 560 |
Сведения для монтажа
Обозначение изделия | Ответный фланец (ГОСТ 12820-80) | Прокладка (ГОСТ 15180-86) | Болт (ГОСТ 7798-70) | Гайка (ГОСТ 5915-70) |
ОПК-50 | 1-50-16 | А-50-16-ПМБ | М16-6gх65.58 | М16-6Н.5 |
ОПК-80 | 1-80-16 | А-80-16-ПМБ | М16-6g х65.58 | М16-6Н.5 |
ОПК-100 | 1-100-16 | А-100-16-ПМБ | М16-6g х70.58 | М16-6Н.5 |
ОПК-150 | 1-150-16 | А-150-16-ПМБ | М20-6g х80.58 | М20-6Н.5 |
ОПК-200 | 1-200-16 | А-200-16-ПМБ | М20-6g х80.58 | М20-6Н.5 |
ОПК-250 | 1-250-16 | А-250-16-ПМБ | М24-6g х90.58 | М24-6Н.5 |
ОПК-300 | 1-300-16 | А-300-16-ПМБ | М24-6g х90.58 | М24-6Н.5 |
ОПК-350 | 1-350-16 | А-350-16-ПМБ | М24-6g х100.58 | М24-6Н.5 |
ОПК-500 | 1-500-16 | А-500-16-ПМБ | М30-6g х130.58 | М30-6Н.5 |