Вы здесь
Огнепреградители ОП
Огнепреградители ОП применяются для временной защиты резервуаров с нефтью и нефтепродуктами от проникновения внутрь пламени при возгорании облака газовоздушной смеси, находящейся снаружи резервуара.
Пожароопасные облака газовоздушной смеси могут возникать при испарении хранимых в резервуаре продуктов, а также при их аварийных выбросах.
Основой конструкции огнепреградителя является пламегасящий элемент кассетного типа, изготавливаемый из материалов, обладающих высокой теплоемкостью.
При воспламенении газовоздушной смеси, находящейся снаружи резервуара, пламя распространяется по каналам пламегасящего элемента в направлении несгоревших смесей. В каналах пламегасящего элемента неизбежно происходит потеря тепловой энергии, что приводит к снижению температуры продукта ниже температуры вспышки — пламя гаснет.
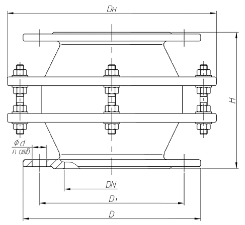
Огнепреградители с условным проходом 150 — 500 миллиметров выпускаются только в разборном корпусе.
Огнепреградители с условным проходом 50, 80 и 100 миллиметров могут выпускаться как в разборном, так и цельнолитом (неразборном) корпусе.
Габаритные размеры огнепреградителей ОП
в неразборном корпусе

в разборном корпусе

Технические характеристики огнепреградителей ОП
| Наименование параметров | ОП- 50 | ОП- 50-Р | ОП- 80 | ОП- 80-Р | ОП- 100 | ОП- 100- Р | ОП- 150 | ОП- 200 | ОП- 250 | ОП 300 | ОП- 350 | ОП- 500 | |
| Условный проход, DN | 50 | 50 | 80 | 80 | 100 | 100 | 150 | 200 | 250 | 300 | 350 | 500 | |
| Пропускная способность при сопротивлении воздушному потоку 118 Па, м3/час, не более | 25 | 100 | 100 | 150 | 100 | 200 | 215 | 380 | 600 | 750 | 900 | 2950 | |
| Габаритные размеры, мм, не более | DН | — | 160 | — | 214 | — | 228 | 303 | 375 | 450 | 530 | 610 | 858 |
| H | 80 | 172 | 80 | 200 | 94 | 197 | 231 | 255 | 263 | 275 | 277 | 317 | |
| Присоединительные размеры, мм: | D | 140 | 141 | 194 | 184 | 207 | 205 | 262 | 315 | 370 | 435 | 485 | 644 |
| D1 | 110 | 110 | 160 | 150 | 170 | 170 | 225 | 280 | 335 | 365 | 445 | 600 | |
| d | 14 | 14 | 18 | 18 | 18 | 18 | 18 | 18 | 18 | 22 | 22 | 22 | |
| n | 4 | 4 | 4 | 4 | 4 | 4 | 4 | 4 | 6 | 6 | 6 | 16 | |
| Масса, кг, не более | 1,3 | 3 | 2,7 | 5,0 | 3,6 | 6,1 | 10 | 16 | 27 | 30 | 45 | 44 | |
Сведения для монтажа
| Обозначение изделия | Ответный фланец (ГОСТ 12820-80) | Прокладка (ГОСТ 15180-86) | Болт (ГОСТ 7798-70) | Гайка (ГОСТ 5915-70) |
| ОП-50 (ОП-50-Р) | 1-50-6 | А-50-6-ПМБ | М12-6gх50.58 | М12-6Н.5 |
| ОП-80 (ОП-80-Р) | 1-80-6 | А-80-6-ПМБ | М16-6g х55.58 | М16-6Н.5 |
| ОП-100 (ОП-100-Р) | 1-100-6 | А-100-6-ПМБ | М16-6g х55.58 | М16-6Н.5 |
| ОП-150 | 1-150-6 | А-150-6-ПМБ | М16-6g х60.58 | М16-6Н.5 |
| ОП-200 | 1-200-6 | А-200-6-ПМБ | М16-6g х65.58 | М16-6Н.5 |
| ОП-250 | 1-250-6 | А-250-6-ПМБ | М16-6g х70.58 | М16-6Н.5 |
| ОП-300 | 1-300-6 | А-300-6-ПМБ | М20-6g х75.58 | М20-6Н.5 |
| ОП-350 | 1-350-6 | А-350-6-ПМБ | М20-6g х75.58 | М20-6Н.5 |
| ОП-500 | 1-500-6 | А-500-6-ПМБ | М20-6g х80.58 | М20-6Н.5 |
Монтаж
Огнепреградители устанавливаются через прокладку на монтажные патрубки типа ПМ, смонтированные на стационарной крыше резервуара.
- Соединение — фланцевое, болтовое.
- Соединительные фланцы изделия — по ГОСТ 12820-80, на условное давление (Ру) 6 кгс/см2.
- Присоединительные размеры фланцев (см. таблицу 1) соответствуют исполнению 1 по ГОСТ 12815-80.



