Вы здесь
Патрубки монтажные ПМ
Патрубки монтажные ПМ предназначены для установки на крыше резервуара различного технологического оборудования:
- дыхательных клапанов;
- вентиляционных патрубков;
- огнепреградителей и т.п.
Патрубки являются комплектующими изделиями горизонтальных и вертикальных стальных резервуаров для нефти, нефтепродуктов и химических жидкостей.
Патрубок устанавливается на крыше резервуара и приваривается через усиливающую накладку.
- Сварное соединение — по ГОСТ 5264-80, с учетом требований ПБ 03-605-03;
- Соединительный фланец изделия — по ГОСТ 12820-80, на условное давление (Ру) 2,5 кгс/см2;
- Присоединительные размеры фланцев соответствуют исполнению 1 по ГОСТ 12815-80.
Пример условного обозначения ПМ-500-УХЛ
- ПМ — патрубок монтажный;
- 500 — условный проход в миллиметрах (мм);
- УХЛ — климатическое исполнение по ГОСТ 15150-69.
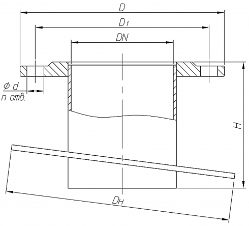
Габаритные размеры патрубков монтажных ПМ
Технические характеристики патрубков монтажных ПМ
Обозначение изделия | Условный проход, DN | Присоединительные размеры фланцев | Габаритные размеры, мм, не более | Масса, кг, не более | ||||
D, мм | D1, мм | d, мм | n, шт. | Н | DН | |||
ПМ-50 | 50 | 140 | 110 | 14 | 4 | 230 | 110 | 5 |
ПМ-100 | 100 | 205 | 170 | 18 | 260 | 220 | 12 | |
ПМ-150 | 150 | 260 | 225 | 8 | 280 | 320 | 19 | |
ПМ-200 | 200 | 315 | 280 | 300 | 440 | 25 | ||
ПМ-250 | 250 | 370 | 335 | 12 | 320 | 550 | 33 | |
ПМ-300 | 300 | 395 | 365 | 22 | 340 | 650 | 45 | |
ПМ-350 | 350 | 485 | 445 | 360 | 760 | 57 | ||
ПМ-400 | 400 | 535 | 495 | 16 | 370 | 860 | 67 | |
ПМ-500 | 500 | 640 | 600 | 16 | 380 | 1060 | 83 |