Вы здесь
Патрубки приемо-раздаточные ППР
Патрубки приемо-раздаточные ППР предназначены для:
- подключения резервуаров к технологическим трубопроводам;
- присоединения запорной арматуры.
Патрубки применяются также установки (внутренний фланец) резервуарного оборудования:
- хлопушек ХП;
- шарниров ШЧ, ШТП с трубой подъемной ТП;
- плавающих заборных устройств ПЗУ;
- другого технологического оборудования.
Монтируются патрубки в нижнем поясе резервуаров, через усиливающую накладку, при помощи сварки. Сварное соединение — по ГОСТ 5264-80, с учетом требований ПБ 03-605-03.
Толщина усиливающей накладки определяется в зависимости от проектных параметров резервуара. Соединительный фланец изделия соответствует ГОСТ 12820-80.
Условное давление (Ру) фланцев патрубков:
- с Ду от 400 до 700 мм — 16 кгс/см2;
- с Ду менее 400 мм условное давление (Ру) зависит от расположения фланца относительно резервуара: снаружи — 10 кгс/см2, внутри — 6 кгс/см2.
Присоединительные размеры фланцев соответствуют исполнению 1 по ГОСТ 12815-80.
Пример обозначения: ППР-400-УХЛ
- ППР — патрубок приемо-раздаточный;
- 400 — условный проход патрубка в миллиметрах;
- УХЛ — климатическое исполнение по ГОСТ 15150-69.
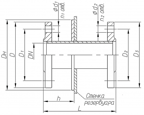
Габаритные размеры патрубков приемо-раздаточных ППР
ППР с ДУ менее 400 мм
ППР с ДУ от 400 до 700 мм
Технические характеристики патрубков приемо-раздаточных ППР
Обозначение изделия | Условный проход, DN | h, мм | Присоединительные размеры фланцев патрубка | Габаритные размеры, мм, не более | Масса, кг, не более | ||||||||
Наружный фланец | Внутренний фланец | Длина, L | Диаметр, DН | ||||||||||
D, мм | D1, мм | d, мм | n, мм | D3, мм | D2, мм | d1, мм | n1, мм | ||||||
рисунок 1 | |||||||||||||
ППР-80 | 80 | 200 | 195 | 160 | 18 | 8 | 185 | 150 | 18 | 4 | 300 | 180 | 9,5 |
ППР-100 | 100 | 200 | 215 | 180 | 18 | 8 | 205 | 170 | 18 | 4 | 300 | 220 | 14,6 |
ППР-150 | 150 | 200 | 280 | 240 | 22 | 8 | 260 | 225 | 18 | 8 | 300 | 320 | 22,5 |
ППР-200 | 200 | 250 | 335 | 295 | 22 | 8 | 315 | 280 | 18 | 8 | 350 | 440 | 29 |
ППР-250 | 250 | 250 | 390 | 350 | 22 | 12 | 370 | 335 | 18 | 12 | 380 | 550 | 50,7 |
ППР-300 | 300 | 250 | 440 | 400 | 22 | 12 | 435 | 395 | 22 | 12 | 380 | 650 | 66,8 |
ППР-350 | 350 | 300 | 500 | 460 | 22 | 16 | 485 | 445 | 22 | 12 | 380 | 760 | 96 |
рисунок 2 | |||||||||||||
ППР-400 | 400 | 300 | 580 | 525 | 30 | 16 | 580 | 525 | 30 | 16 | 565 | 860 | 172 |
ППР-500 | 500 | 400 | 710 | 650 | 33 | 20 | 710 | 650 | 33 | 20 | 625 | 1060 | 270 |
ППР-600 | 600 | 400 | 840 | 770 | 36 | 20 | 840 | 770 | 36 | 20 | 705 | 1260 | 370 |
ППР-700 | 700 | 400 | 910 | 840 | 39 | 24 | 910 | 840 | 39 | 24 | 600 | 1225 | 380 |
Сведения для монтажа
Обозначение патрубка | Наружный фланец ППР | Внутренний фланец ППР | ||||||
Ответный фланец ГОСТ 12820-80 | Прокладка ГОСТ 15180-86 | Болт ГОСТ 7798-70 | Гайка ГОСТ 5915-70 | Ответный фланец ГОСТ 12820-80 | Прокладка ГОСТ 15180-86 | Болт ГОСТ 7798-70 | Гайка ГОСТ 5915-70 | |
ППР-80 | 1-80-10 | А-80-10-ПМБ | М16х60 | М16 | 1-80-6 | А-80-6-ПМБ | M16x55 | М16 |
ППР-100 | 1-100-10 | А-100-10-ПМБ | М16х65 | М16 | 1-100-6 | А-100-6-ПМБ | M16x55 | М16 |
ППР-150 | 1-150-10 | А-150-10-ПМБ | М20х70 | М20 | 1-150-6 | А-150-6-ПМБ | M16x60 | М16 |
ППР-200 | 1-200-10 | А-200-10-ПМБ | М20х75 | М20 | 1-200-6 | А-200-6-ПМБ | M16x65 | М16 |
ППР-250 | 1-250-10 | А-250-10-ПМБ | М20х75 | М20 | 1-250-6 | А-250-6-ПМБ | M16x70 | М16 |
ППР-300 | 1-300-10 | А-300-10-ПМБ | М20х80 | М20 | 1-300-6 | А-300-6-ПМБ | M20x75 | М20 |
ППР-350 | 1-350-10 | А-350-10-ПМБ | М20х80 | М20 | 1-350-6 | А-350-6-ПМБ | M20x75 | М20 |
ППР-400 | 1-400-16 | А-400-16-ПМБ | M27x110 | М27 | 1-400-16 | А-400-16-ПМБ | M27x110 | М27 |
ППР-500 | 1-500-16 | А-500-16-ПМБ | M30x130 | М30 | 1-500-16 | А-500-16-ПМБ | M30x130 | М30 |
ППР-600 | 1-600-16 | А-600-16-ПМБ | M36x140 | М36 | 1-600-16 | А-600-16-ПМБ | M36x140 | М36 |
ППР-700 | 1-700-16 | А-700-16-ПМБ | M36x140 | М36 | 1-700-16 | А-700-16-ПМБ | M36x140 | М36 |