Вы здесь
Патрубки зачистные ПЗ
Патрубки зачистные ПЗ предназначены для выполнения штатных операций по зачистке резервуаров и изготавливаются в двух вариантах:
- ПЗ;
- ПЗ-1.
Отличаются патрубки способом соединения составных частей изделия:
- патрубок приемный;
- патрубок отвода.
Устанавливается патрубок на вертикальной стенке стального резервуара, в нижнем поясе, и приваривается к ней через усиливающую накладку.
Сварное соединение — по ГОСТ 5264-80, с учетом требований ПБ 03-605-03.
Внутренняя часть патрубка — отвод — устанавливается двумя способами:
- ПЗ — сварное соединение по ГОСТ 5264-80;
- ПЗ-1 — болтовое фланцевое соединение (комплект крепежных элементов входит в состав изделия).
Соединительный фланец изделия — по ГОСТ 12820-80, на условное давление (Ру) 6 кгс/см2.
Присоединительные размеры фланцев соответствуют исполнению 1 по ГОСТ 12815-80.
По устойчивости к воздействию климатических факторов внешней среды патрубки изготавливаются в исполнении Т, У и УХЛ категории размещения 1 по ГОСТ 15150-69.
Пример условного обозначения ПЗ-1-300-У
- ПЗ — патрубок зачистки;
- 1 — исполнение с фланцевым соединением элементов патрубка;
- 300 — условный проход в миллиметрах (мм);
- У — климатическое исполнение по ГОСТ 15150-69.
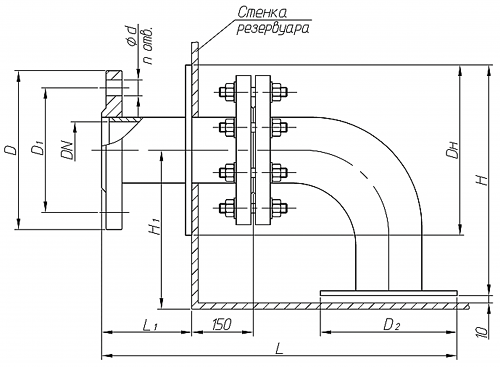
Габаритные размеры патрубков зачистных
ПЗ
ПЗ-1
Технические характеристики патрубков зачистных ПЗ
Обозначение изделия | Условный проход, DN | Присоединительные размеры фланцев | Габаритные размеры, мм, не более | Dн | D2 | H1 | L1 | Масса, кг, не более | ||||
D, мм | D1, мм | d, мм | n, шт. | длина L | высота H | |||||||
ПЗ-80 | 80 | 185 | 150 | 18 | 4 | 560 | 340 | 180 | 180 | 250 | 200 | 12 |
ПЗ-1-80 | 17 | |||||||||||
ПЗ-100 | 100 | 205 | 170 | 610 | 400 | 220 | 220 | 300 | 200 | 15 | ||
ПЗ-1-100 | 21 | |||||||||||
ПЗ-150 | 150 | 260 | 225 | 8 | 735 | 520 | 360 | 320 | 350 | 200 | 35 | |
ПЗ-1-150 | 48 | |||||||||||
ПЗ-200 | 200 | 315 | 280 | 920 | 670 | 440 | 440 | 450 | 250 | 38 | ||
ПЗ-1-200 | 50 | |||||||||||
ПЗ-250 | 250 | 370 | 335 | 12 | 1050 | 815 | 550 | 550 | 550 | 250 | 91 | |
ПЗ-1-250 | 138 | |||||||||||
ПЗ-300 | 300 | 435 | 395 | 22 | 1175 | 975 | 650 | 650 | 650 | 250 | 151 | |
ПЗ-1-300 | 164 |
Сведения для монтажа
Обозначение патрубка | Ответный фланец (ГОСТ 12820-80) | Прокладка (ГОСТ 15180-86) | Болт (ГОСТ 7798-70) | Гайка (ГОСТ 5915-70) |
ПЗ-80 (ПЗ-1-80) | 1-80-6 | А-80-6-ПМБ | М16-6g х55.58 | М16-6Н.5 |
ПЗ-100 (ПЗ-1-100) | 1-100-6 | А-100-6-ПМБ | М16-6g х55.58 | М16-6Н.5 |
ПЗ-150 (ПЗ-1-150) | 1-150-6 | А-150-6-ПМБ | М16-6g х60.58 | М16-6Н.5 |
ПЗ-200 (ПЗ-1-200) | 1-200-6 | А-200-6-ПМБ | М16-6g х65.58 | М16-6Н.5 |
ПЗ-250 (ПЗ-1-250) | 1-250-6 | А-250-6-ПМБ | М16-6g х70.58 | М16-6Н.5 |
ПЗ-300 (ПЗ-1-300) | 1-300-6 | А-300-6-ПМБ | М20-6g х75.58 | М20-6Н.5 |