Вы здесь
Патрубок замерного люка ПЗЛ
Патрубок замерного люка ПЗЛ предназначен для:
- установки люка замерного ЛЗ;
- присоединения вентиляционной трубы с условным проходом 50 миллиметров.
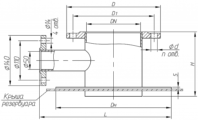
Патрубок устанавливают на крыше вертикального или на крышке горловины горизонтального резервуара и приваривают через усиливающую накладку.
- Сварное соединение — по ГОСТ 5264-80, с учетом требований ПБ 03-605-03.
- Соединительный фланец изделия — по ГОСТ 12820-80, на условное давление (Ру) 2,5 кгс/см2;
- Присоединительные размеры фланцев соответствуют исполнению 1 по ГОСТ 12815-80;
- По устойчивости к воздействию климатических факторов внешней среды патрубок изготавливается в исполнениях Т, У и УХЛ категории размещения 1 по ГОСТ 15150-69.
Пример обозначения ПЗЛ-150-УХЛ:
- ПЗЛ — патрубок замерного люка;
- 150 — условный проход в миллиметрах;
- УХЛ — климатическое исполнение по ГОСТ 15150-69.
Габаритные размеры патрубка замерного люка ПЗЛ
Технические характеристики патрубка замерного люка ПЗЛ
Наименование параметров | Значения параметров | ||
ПЗЛ-80 | ПЗЛ-150 | ||
Габаритные размеры, мм, не более | L | 290 | 365 |
DH | 200 | 320 | |
H | 180 | 180 | |
Присоединительные размеры, мм, не более | DN | 80 | 150 |
D | 185 | 260 | |
D1 | 150 | 225 | |
d | 18 | 18 | |
n, шт. | 4 | 8 | |
Масса, кг, не более | 8 | 11 |