Вы здесь
Ирисовый клапан круглый IRD
Ирисовые клапаны IRD предназначены для регулирования потока воздуха и измерения его расхода в воздушных каналах круглого сечения. Конструктивно клапаны IRD представляют собой ирисовую диафрагму, установленную в корпусе с круглыми присоединительными патрубками. На корпусе клапана нанесена легко читаемая шкала настройки и установлены соединительные штуцеры для измерения падения давления на нем. Выставив по рискам шкалы положение лепестков диафрагмы и измеряя с помощью дифференциального манометра падение давления на клапане, можно с большой точностью определить расход воздуха, проходящего через клапан. Управление воздушными клапанами IRD осуществляется вручную.
Клапаны сохраняют работоспособность и могут эксплуатироваться вне зависимости от пространственного положения их установки. Применение ирисовых клапанов позволяет значительно упростить процесс наладки вентиляционных систем.
Корпус и регулирующие пластины клапанов изготавливаются из стального оцинкованного листа. Патрубки корпуса снабжены резиновыми уплотнениями, что обеспечивает герметичность соединения с воздуховодами.
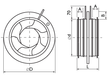
Технические характеристики:
Тип клапана | Ød | ØD | L, мм | A, мм | B, мм | Вес, кг |
IRD 100 | 99 | 165 | 110 | 30 | 32 | 0,5 |
IRD 125 | 124 | 188 | 110 | 30 | 32 | 0,7 |
IRD 160 | 159 | 230 | 110 | 30 | 35 | 0,9 |
IRD 200 | 199 | 285 | 110 | 30 | 42 | 1,4 |
IRD 250 | 249 | 335 | 135 | 40 | 42 | 2,1 |
IRD 315 | 314 | 410 | 135 | 40 | 47 | 3,5 |
IRD 400 | 398 | 525 | 190 | 60 | 62 | 6,4 |
IRD 500 | 498 | 655 | 170 | 50 | 77 | 9,6 |
IRD 630 | 628 | 815 | 170 | 50 | 92 | 15,6 |
IRD 800 | 798 | 1015 | 270 | 100 | 107 | 25,0 |
Ирисовый клапан IRD обеспечивает проведение точных измерений во всех точках сети, включая точки вблизи таких местных сопротивлений, как Т-образные тройники и отводы, повороты, изгибы, а также точки перед воздухораспределительными устройствами. В зависимости от требуемой точности измерений, ирисовый клапан должен быть установлен с учетом рекомендаций по минимальным расстояниям Lmin, приведенным в таблице.
Lmin | ||
m2=±7% | m2=±10% | |
![]() |
≥1d | ≥1d |
![]() |
≥4d | ≥2d |
![]() |
≥2d | ≥2d |
![]() |
≥2d | ≥2d |
Шумовые характеристики:
Тип клапана | Поправочный коэффициент Kост , дБ | |||||||
63 | 125 | 250 | 500 | 1000 | 2000 | 4000 | 8000 | |
IRD 100 | 25 | 21 | 16 | 9 | 4 | -6 | -12 | -25 |
IRD 125 | 17 | 17 | 13 | 7 | 1 | -4 | -6 | -17 |
IRD 160 | 19 | 18 | 14 | 6 | -1 | -6 | -13 | -25 |
IRD 200 | 20 | 17 | 12 | 5 | -2 | -5 | -14 | -26 |
IRD 250 | 16 | 12 | 8 | 3 | 1 | -4 | -17 | -32 |
IRD 315 | 24 | 12 | 5 | 0 | 1 | -2 | -13 | -27 |
IRD 400 | 15 | 9 | 6 | 2 | -1 | -4 | -9 | -13 |
IRD 500 | 14 | 7 | 4 | 1 | -1 | -4 | -8 | -11 |
IRD 630 | 15 | 7 | 3 | 2 | -1 | -5 | -9 | -11 |
IRD 800 | 9 | 5 | 3 | 3 | -1 | -6 | -10 | -13 |
Допуск | ± 6 | ± 3 | ± 2 | ± 2 | ± 2 | ± 2 | ± 2 | ± 3 |
Назад к списку