Вы здесь
Защитная решетка YWF550 тип 2, Weiguang
Защитная решетка YWF550 тип 2 является запасной частью на изделия Weiguang серии YWF, которая объединяет модельный ряд производительных и долговечных вентиляторов с малым уровнем шума и универсальностью применения.
Данная защитная решетка для вентилятора имеет типоразмер 550 мм, вариант её конструкционного исполнения: Тип 2.
- Модель: Защитная решетка YWF550 Тип 2;
- Серия: Защитная решетка YWF;
- Страна: Китай;
- Тип изделия: Защитные решетки;
- Типоразмер: 550 мм.
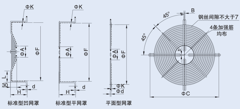
Габаритные размеры
Модель | Размеры | ||||||||
ФС | Н | ФА | ФF | Фd | Фk | B | b | L | |
YWF550 | 622 | 100 | 120 | 570 | 6 | 2.8 | 10.5 | 9.5 | - |