Вы здесь
Кожух защиты электродвигателя VR-280-46-2,0
Кожух защиты электродвигателя VR-280-46-2,0 предназначен для обеспечения надежной защиты электродвигателя от внешних воздействий, таких как пыль, влага и механические повреждения.
Также используется для защиты электродвигателя от попадания атмосферных осадков.
Благодаря прочной конструкции, кожух эффективно предотвращает попадание загрязняющих частиц и продлевает срок службы оборудования.
Особенности VR-280-46-2,0
- Изготовлен из высококачественных материалов, устойчивых к коррозии;
- Обеспечивает надежную вентиляцию для предотвращения перегрева электродвигателя;
- Легкость в установке и демонтаже для обслуживания и ремонта;
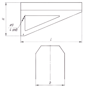
Габаритные размеры VR-280-46-2,0
b | 208 мм |
H | 195 мм |
L | 330 мм |
Технические характеристики VR-280-46-2,0
Гарантия | 6 месяцев |
Масса | 1.5 кг |
Объем | 0.01 м3 |
Страна производства | Россия |
Исполнение | общего назначения |
Тип | для радиального вентилятора СД |
Типоразмер | 2 |
Материал корпуса | оцинкованная сталь |
Температура внешней среды | от -60 до 80 °С |