Вы здесь
Компактные приточно-вытяжные установки серии SOFFIO PRIMO
Компактные приточно-вытяжные установки серии SOFFIO PRIMO применяются для организации вентиляции в домах, квартирах, коттеджах с площадью до 175 м2.
На выбор доступны 4 моделей с максимальной аэродинамической производительностью от 230 до 647 м3/ч.
В установках применяются уникальный мембранный рекуператор 5-го поколения с возвратом тепловой энергии до 92%, а так же 2-х ступенчатая система фильтрации, состоящая из фильтров грубой G4 и тонкой очистки F9.
Установки SOFFIO Primo обладают встроенной автоматикой и поставляются с пультом управления.
Преимущества серии - компактность, низкий уровень шума, удобство настройки и управления, а также возможность управления внешними элементами, поставляемыми опционально.
Особенности SOFFIO PRIMO
- Эффективность рекуперации до 92%;
- Класс энергоэффективности - А+;
- Очистка приточного воздуха фильтрами грубой G4 и тонкой очистки F9;
- Увлажнение приточного воздуха благодаря гидрофильному покрытию мембранного рекуператора;
- Не требуется отвод конденсата;
- Компактная конструкция с минимальной высотой от 264 мм;
- Универсальный монтаж - горизонтальный (стандартно или в перевернутом положении) или вертикальный;
- Минимальный уровень шума - от 25 дБ(А);
- Энергоэффективные многоскоростные DC-двигатели вентиляторов;
- Встроенная система автоматики с пультом управления в комплекте;
- Централизованное управление внешними опциональными элементами;
- Подключение к системе диспетчеризации через протокол Modbus;
- Возможность управления предварительным или основным электрическим нагревателем;
- Система управления предусматривает специальные режимы работы при низких температурах воздуха;
- Многоуровневый недельный таймер.
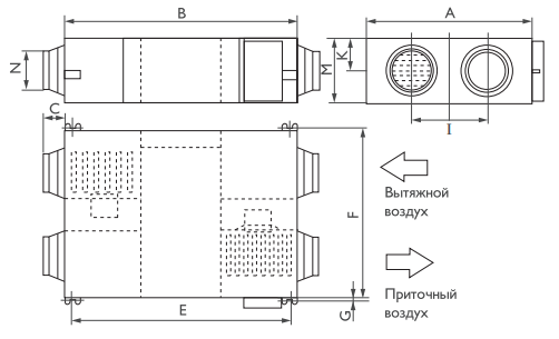
Габаритные размеры SOFFIO PRIMO
Модель RCS-250-P
Модели RCS-350-P, RCS-500-P, RCS-650-P, RCS-1200-P, RCS-1600-P
Модель | A | B | C | E | F | G | I | K | M | N |
RCS-250-P | 580 | 736 | 100 | 795 | 510 | 19 | 290 | 20 | 264 | Ø 144 |
RCS-350-P | 599 | 814 | 100 | 745 | 657 | 19 | 315 | 111 | 270 | Ø 144 |
RCS-500-P | 804 | 814 | 100 | 745 | 862 | 19 | 480 | 111 | 270 | Ø 144 |
RCS-650-P | 904 | 894 | 107 | 824 | 960 | 19 | 500 | 111 | 270 | Ø 194 |
RCS-1200-P | 1134 | 1186 | 85 | 1115 | 1190 | 19 | 678 | 170 | 388 | Ø 242 |
RCS-1600-P | 1216 | 1199 | 85 | 1130 | 1273 | 19 | 621 | 171 | 388 | Ø 242 |
Технические характеристики SOFFIO PRIMO
Параметр / Модель | RCS-250-P | RCS-350-P | RCS-500-P | RCS-650-P | RCS-1200-P | RCS-1600-P |
Напряжение питания | 220-240/50 | |||||
Максимальный расход воздуха, м3/ч | 230 | 342 | 508 | 647 | 1177 | 1659 |
Класс энергоэффективности | A+ | |||||
Эффективность рекуперации,* % | 75-86 | 74,5-87 | 75-88 | 77-92 | 78-92 | 78-92 |
Максимальная потребляемая мощность, Вт | 38 | 85 | 107 | 140 | 188 | 405 |
Номинальный ток, А | 0,18 | 0,41 | 0,51 | 0,67 | 0,90 | 1,95 |
Максимальный уровень звукового давления к окружению,** дБ(А) | 31,5 | 34,5 | 37,5 | 39 | 42 | 43 |
Тип фильтра (приток/вытяжка) | G4+F9 / G4 | |||||
Степень защиты | IP34 | |||||
Вес нетто, кг | 25 | 27 | 33 | 38 | 72 | 81 |
Размеры прибора (Д×Ш×В), мм | 736×580×264 | 814×599×270 | 814×804×270 | 894×904×270 | 1186×1134×388 | 1199×1216×388 |
Вес брутто, кг | 28 | 31 | 38 | 44 | 80 | 90 |
Размеры прибора в упаковке (Д×Ш×В), мм | 990×745×345 | 1070×755×350 | 1070×960×350 | 1125×1060×350 | 1390×1305×455 | 1420×1420×445 |